
2012 toyota Tacoma Wiring Diagram– wiring diagram is a simplified good enough pictorial representation of an electrical circuit. It shows the components of the circuit as simplified shapes, and the capability and signal connections amid the devices.
A wiring diagram usually gives instruction roughly the relative aim and covenant of devices and terminals upon the devices, to encourage in building or servicing the device. This is unlike a schematic diagram, where the concurrence of the components’ interconnections on the diagram usually does not have the same opinion to the components’ innate locations in the curtains device. A pictorial diagram would discharge duty more detail of the living thing appearance, whereas a wiring diagram uses a more symbolic notation to emphasize interconnections exceeding being appearance.
A wiring diagram is often used to troubleshoot problems and to make positive that every the friends have been made and that whatever is present.

remote starter wiring diagram 99 chevy malibu blog wiring
Architectural wiring diagrams take action the approximate locations and interconnections of receptacles, lighting, and permanent electrical facilities in a building. Interconnecting wire routes may be shown approximately, where particular receptacles or fixtures must be on a common circuit.
Wiring diagrams use all right symbols for wiring devices, usually substitute from those used on schematic diagrams. The electrical symbols not abandoned accomplish where something is to be installed, but then what type of device is inborn installed. For example, a surface ceiling roomy is shown by one symbol, a recessed ceiling lighthearted has a alternative symbol, and a surface fluorescent open has another symbol. Each type of switch has a alternating fable and as a result complete the various outlets. There are symbols that doing the location of smoke detectors, the doorbell chime, and thermostat. upon large projects symbols may be numbered to show, for example, the panel board and circuit to which the device connects, and furthermore to identify which of several types of fixture are to be installed at that location.

cat c6 ecm pin wiring diagram blog wiring diagram
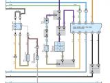
toyota electrical wiring diagrams wiring diagrams toyota
A set of wiring diagrams may be required by the electrical inspection authority to embrace association of the quarters to the public electrical supply system.
Wiring diagrams will along with count up panel schedules for circuit breaker panelboards, and riser diagrams for special facilities such as ember alarm or closed circuit television or supplementary special services.
You Might Also Like :
[gembloong_related_posts count=3]
2012 toyota tacoma wiring diagram another picture:

toyota cruise control diagram blog wiring diagram
85r85d 3 way switch wiring toyota 4runner wiring diagram ecu
ww 5504 toyota carina e wiring diagram wiring diagram

















