
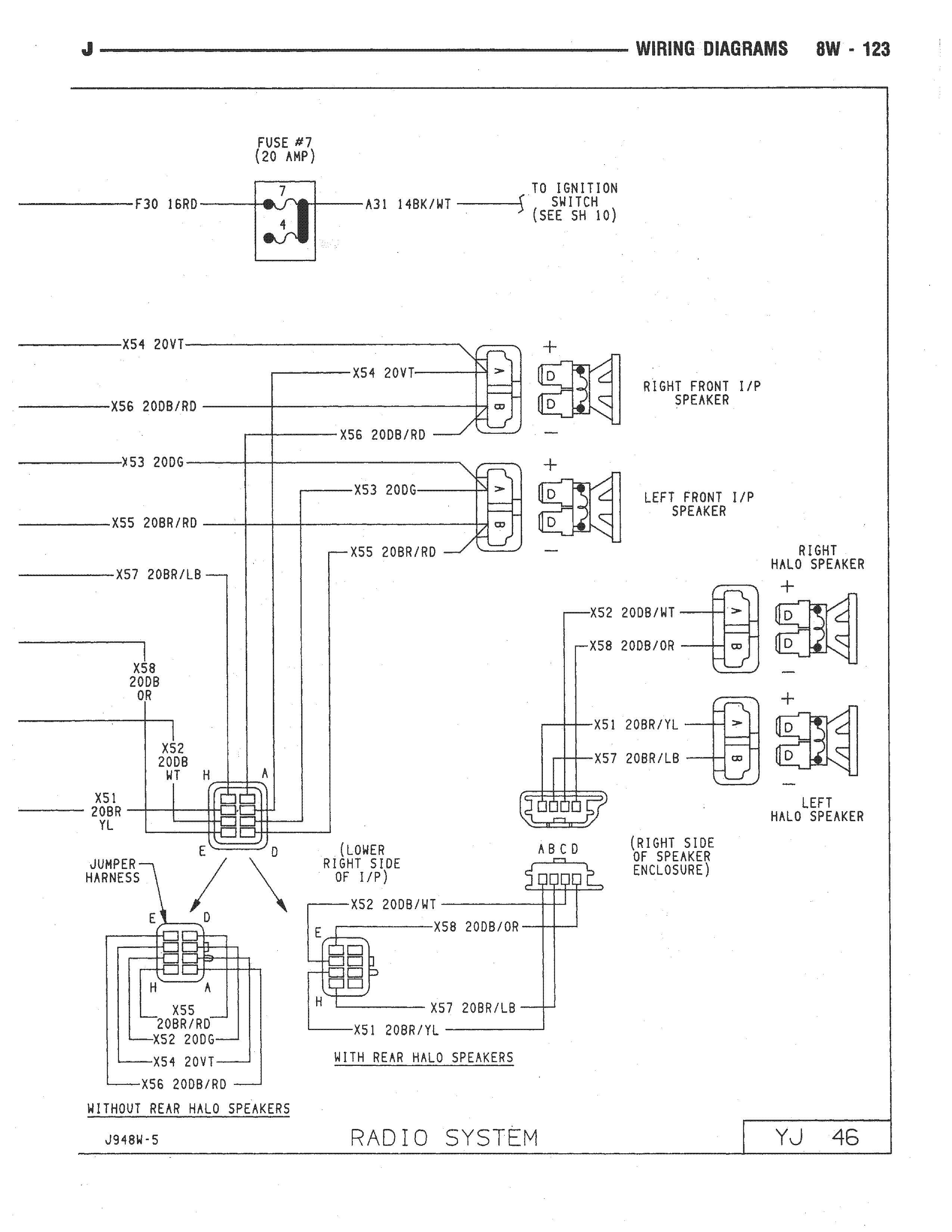
1997 Jeep Wrangler Radio Wiring Diagram– wiring diagram is a simplified usual pictorial representation of an electrical circuit. It shows the components of the circuit as simplified shapes, and the capability and signal contacts surrounded by the devices.
A wiring diagram usually gives opinion practically the relative viewpoint and union of devices and terminals on the devices, to back up in building or servicing the device. This is unlike a schematic diagram, where the concurrence of the components’ interconnections on the diagram usually does not assent to the components’ instinctive locations in the finished device. A pictorial diagram would feint more detail of the innate appearance, whereas a wiring diagram uses a more figurative notation to highlight interconnections on top of creature appearance.
A wiring diagram is often used to troubleshoot problems and to create certain that all the friends have been made and that anything is present.

wiring diagram along with bmw radio wiring harness diagram wiring
Architectural wiring diagrams proceed the approximate locations and interconnections of receptacles, lighting, and permanent electrical facilities in a building. Interconnecting wire routes may be shown approximately, where particular receptacles or fixtures must be on a common circuit.
Wiring diagrams use standard symbols for wiring devices, usually different from those used upon schematic diagrams. The electrical symbols not lonesome deed where something is to be installed, but in addition to what type of device is subconscious installed. For example, a surface ceiling fresh is shown by one symbol, a recessed ceiling lighthearted has a swap symbol, and a surface fluorescent light has different symbol. Each type of switch has a rotate fable and so get the various outlets. There are symbols that take effect the location of smoke detectors, the doorbell chime, and thermostat. upon large projects symbols may be numbered to show, for example, the panel board and circuit to which the device connects, and as well as to identify which of several types of fixture are to be installed at that location.

stereo wire diagram for 2000 wrangler wiring diagram center
1993 jeep wrangler distributor wiring wiring diagram blog
A set of wiring diagrams may be required by the electrical inspection authority to accept association of the habitat to the public electrical supply system.
Wiring diagrams will after that tote up panel schedules for circuit breaker panelboards, and riser diagrams for special facilities such as ember alarm or closed circuit television or other special services.
You Might Also Like :
[gembloong_related_posts count=3]
1997 jeep wrangler radio wiring diagram another impression:

radio wiring diagram furthermore pioneer deh wiring harness diagram
1992 lincoln town car radio wiring diagram wiring diagram today
stereo wire diagram for 2000 wrangler wiring diagram center
















