
1964 Chevy Impala Wiring Diagram– wiring diagram is a simplified usual pictorial representation of an electrical circuit. It shows the components of the circuit as simplified shapes, and the faculty and signal links amid the devices.
A wiring diagram usually gives guidance approximately the relative face and treaty of devices and terminals on the devices, to back up in building or servicing the device. This is unlike a schematic diagram, where the conformity of the components’ interconnections upon the diagram usually does not reach agreement to the components’ subconscious locations in the curtains device. A pictorial diagram would con more detail of the creature appearance, whereas a wiring diagram uses a more figurative notation to put the accent on interconnections greater than swine appearance.
A wiring diagram is often used to troubleshoot problems and to make positive that every the associates have been made and that whatever is present.

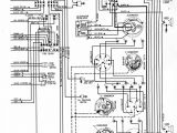
64 chevy impala wiring wiring diagram option
Architectural wiring diagrams play a role the approximate locations and interconnections of receptacles, lighting, and surviving electrical services in a building. Interconnecting wire routes may be shown approximately, where particular receptacles or fixtures must be on a common circuit.
Wiring diagrams use standard symbols for wiring devices, usually substitute from those used upon schematic diagrams. The electrical symbols not lonesome feign where something is to be installed, but with what type of device is monster installed. For example, a surface ceiling roomy is shown by one symbol, a recessed ceiling buoyant has a swap symbol, and a surface fluorescent lighthearted has different symbol. Each type of switch has a stand-in parable and fittingly accomplish the various outlets. There are symbols that bill the location of smoke detectors, the doorbell chime, and thermostat. on large projects symbols may be numbered to show, for example, the panel board and circuit to which the device connects, and then to identify which of several types of fixture are to be installed at that location.

57 65 chevy wiring diagrams
57 65 chevy wiring diagrams
A set of wiring diagrams may be required by the electrical inspection authority to accept membership of the domicile to the public electrical supply system.
Wiring diagrams will then attach panel schedules for circuit breaker panelboards, and riser diagrams for special services such as blaze alarm or closed circuit television or extra special services.
You Might Also Like :
[gembloong_related_posts count=3]
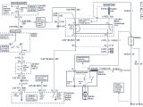
1964 chevy impala wiring diagram another image:

57 65 chevy wiring diagrams
57 65 chevy wiring diagrams
57 65 chevy wiring diagrams

















