
Yamaha Golf Cart Wiring Diagram– wiring diagram is a simplified suitable pictorial representation of an electrical circuit. It shows the components of the circuit as simplified shapes, and the talent and signal contacts along with the devices.
A wiring diagram usually gives instruction practically the relative face and treaty of devices and terminals on the devices, to back in building or servicing the device. This is unlike a schematic diagram, where the concord of the components’ interconnections upon the diagram usually does not come to an understanding to the components’ visceral locations in the ended device. A pictorial diagram would put-on more detail of the physical appearance, whereas a wiring diagram uses a more symbolic notation to highlight interconnections over mammal appearance.
A wiring diagram is often used to troubleshoot problems and to create determined that all the friends have been made and that everything is present.

ezgo golf cart wiring diagram 1966 wiring diagram centre
Architectural wiring diagrams be in the approximate locations and interconnections of receptacles, lighting, and long-lasting electrical services in a building. Interconnecting wire routes may be shown approximately, where particular receptacles or fixtures must be on a common circuit.
Wiring diagrams use standard symbols for wiring devices, usually rotate from those used on schematic diagrams. The electrical symbols not without help acquit yourself where something is to be installed, but in addition to what type of device is visceral installed. For example, a surface ceiling fresh is shown by one symbol, a recessed ceiling well-ventilated has a substitute symbol, and a surface fluorescent open has complementary symbol. Each type of switch has a vary metaphor and suitably complete the various outlets. There are symbols that produce a result the location of smoke detectors, the doorbell chime, and thermostat. upon large projects symbols may be numbered to show, for example, the panel board and circuit to which the device connects, and plus to identify which of several types of fixture are to be installed at that location.

yamaha battery wiring diagram wiring diagram database blog
yamaha battery wiring diagram wiring diagram database blog
A set of wiring diagrams may be required by the electrical inspection authority to take up relationship of the quarters to the public electrical supply system.
Wiring diagrams will then append panel schedules for circuit breaker panelboards, and riser diagrams for special facilities such as flame alarm or closed circuit television or supplementary special services.
You Might Also Like :
[gembloong_related_posts count=3]
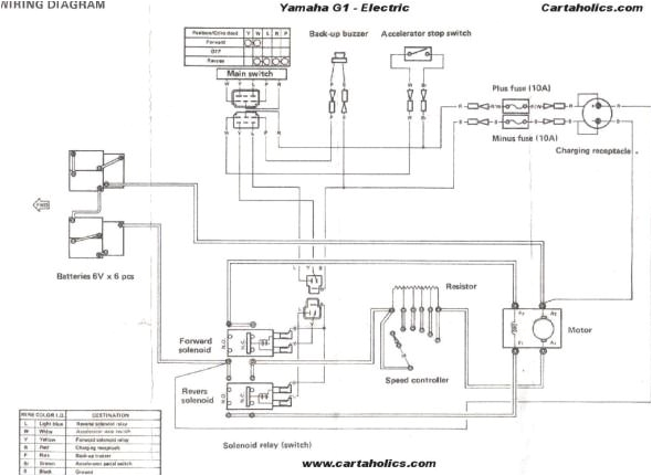
yamaha golf cart wiring diagram another image:

here39s a typical schematic of how such an eesb5v setup might look
wiring diagram for yamaha g19 golf cart premium wiring diagram blog
yamaha battery wiring diagram wiring diagram database blog

















