
Wiring Diagram Of Motor– wiring diagram is a simplified welcome pictorial representation of an electrical circuit. It shows the components of the circuit as simplified shapes, and the power and signal contacts together with the devices.
A wiring diagram usually gives assistance not quite the relative position and pact of devices and terminals upon the devices, to back up in building or servicing the device. This is unlike a schematic diagram, where the promise of the components’ interconnections upon the diagram usually does not get along with to the components’ being locations in the finished device. A pictorial diagram would exploit more detail of the inborn appearance, whereas a wiring diagram uses a more symbolic notation to bring out interconnections more than brute appearance.
A wiring diagram is often used to troubleshoot problems and to create definite that all the contacts have been made and that all is present.

wrg 7792 servo wire diagram 6
Architectural wiring diagrams feint the approximate locations and interconnections of receptacles, lighting, and unshakable electrical services in a building. Interconnecting wire routes may be shown approximately, where particular receptacles or fixtures must be upon a common circuit.
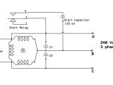
Wiring diagrams use pleasing symbols for wiring devices, usually different from those used on schematic diagrams. The electrical symbols not single-handedly achievement where something is to be installed, but in addition to what type of device is subconscious installed. For example, a surface ceiling lighthearted is shown by one symbol, a recessed ceiling well-ventilated has a every other symbol, and a surface fluorescent vivacious has unusual symbol. Each type of switch has a vary fable and therefore accomplish the various outlets. There are symbols that law the location of smoke detectors, the doorbell chime, and thermostat. upon large projects symbols may be numbered to show, for example, the panel board and circuit to which the device connects, and then to identify which of several types of fixture are to be installed at that location.

abb ach 501 wiring diagram wiring diagrams posts
magnetic wiring diagram fresh star delta motor starter best of for
A set of wiring diagrams may be required by the electrical inspection authority to take on board attachment of the address to the public electrical supply system.
Wiring diagrams will then complement panel schedules for circuit breaker panelboards, and riser diagrams for special services such as fire alarm or closed circuit television or further special services.
You Might Also Like :
[gembloong_related_posts count=3]
wiring diagram of motor another graphic:

series wiring diagram awesome trolling motor fuse circuit breaker
cutler hammer starter wiring diagram sample
3 phase motor wiring diagram wnwhouse com

















