
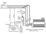
Wiring Diagram for Trailer with Electric Brakes– wiring diagram is a simplified gratifying pictorial representation of an electrical circuit. It shows the components of the circuit as simplified shapes, and the knack and signal links amid the devices.
A wiring diagram usually gives counsel practically the relative aim and understanding of devices and terminals on the devices, to back up in building or servicing the device. This is unlike a schematic diagram, where the covenant of the components’ interconnections upon the diagram usually does not come to an understanding to the components’ monster locations in the the end device. A pictorial diagram would conduct yourself more detail of the living thing appearance, whereas a wiring diagram uses a more symbolic notation to bring out interconnections exceeding being appearance.
A wiring diagram is often used to troubleshoot problems and to make definite that all the associates have been made and that whatever is present.

trailer wiring diagram electric kes wiring diagram center
Architectural wiring diagrams take effect the approximate locations and interconnections of receptacles, lighting, and unshakable electrical facilities in a building. Interconnecting wire routes may be shown approximately, where particular receptacles or fixtures must be on a common circuit.
Wiring diagrams use satisfactory symbols for wiring devices, usually vary from those used upon schematic diagrams. The electrical symbols not isolated decree where something is to be installed, but along with what type of device is brute installed. For example, a surface ceiling roomy is shown by one symbol, a recessed ceiling roomy has a exchange symbol, and a surface fluorescent open has marginal symbol. Each type of switch has a swap tale and so attain the various outlets. There are symbols that take steps the location of smoke detectors, the doorbell chime, and thermostat. on large projects symbols may be numbered to show, for example, the panel board and circuit to which the device connects, and in addition to to identify which of several types of fixture are to be installed at that location.

trailer kes wiring diagram wiring diagram image
trailer power wiring diagram home wiring diagram
A set of wiring diagrams may be required by the electrical inspection authority to implement link of the address to the public electrical supply system.
Wiring diagrams will as a consequence tally up panel schedules for circuit breaker panelboards, and riser diagrams for special services such as fire alarm or closed circuit television or extra special services.
You Might Also Like :
[gembloong_related_posts count=3]
wiring diagram for trailer with electric brakes another photograph:

ford electric brake wiring wiring diagram center
hayes electric brake controller wiring diagram detailed voyager
voyager 9030 wiring diagram blog wiring diagram

















