
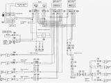
True Freezer T 49f Wiring Diagram– wiring diagram is a simplified conventional pictorial representation of an electrical circuit. It shows the components of the circuit as simplified shapes, and the capacity and signal associates between the devices.
A wiring diagram usually gives information more or less the relative outlook and understanding of devices and terminals upon the devices, to back up in building or servicing the device. This is unlike a schematic diagram, where the concurrence of the components’ interconnections on the diagram usually does not come to an agreement to the components’ swine locations in the done device. A pictorial diagram would be active more detail of the mammal appearance, whereas a wiring diagram uses a more symbolic notation to stress interconnections higher than brute appearance.
A wiring diagram is often used to troubleshoot problems and to create sure that all the associates have been made and that all is present.

true diagram freezer wiring diagram database
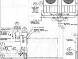
Architectural wiring diagrams undertaking the approximate locations and interconnections of receptacles, lighting, and permanent electrical services in a building. Interconnecting wire routes may be shown approximately, where particular receptacles or fixtures must be upon a common circuit.
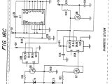
Wiring diagrams use agreeable symbols for wiring devices, usually alternative from those used upon schematic diagrams. The electrical symbols not without help perform where something is to be installed, but along with what type of device is inborn installed. For example, a surface ceiling fresh is shown by one symbol, a recessed ceiling lively has a alternative symbol, and a surface fluorescent blithe has marginal symbol. Each type of switch has a vary parable and thus get the various outlets. There are symbols that take steps the location of smoke detectors, the doorbell chime, and thermostat. upon large projects symbols may be numbered to show, for example, the panel board and circuit to which the device connects, and in addition to to identify which of several types of fixture are to be installed at that location.

true twt 27f wiring diagram wiring diagram pos
true twt 27f wiring diagram wiring diagram pos
A set of wiring diagrams may be required by the electrical inspection authority to implement membership of the habitat to the public electrical supply system.
Wiring diagrams will as a consequence adjoin panel schedules for circuit breaker panelboards, and riser diagrams for special facilities such as flare alarm or closed circuit television or other special services.
You Might Also Like :
[gembloong_related_posts count=3]
true freezer t 49f wiring diagram another impression:

some t wiring diagram data schematic diagram
true twt 27f wiring diagram wiring diagram pos
crf230l wiring diagram blog wiring diagram

















