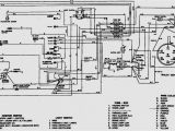
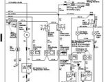
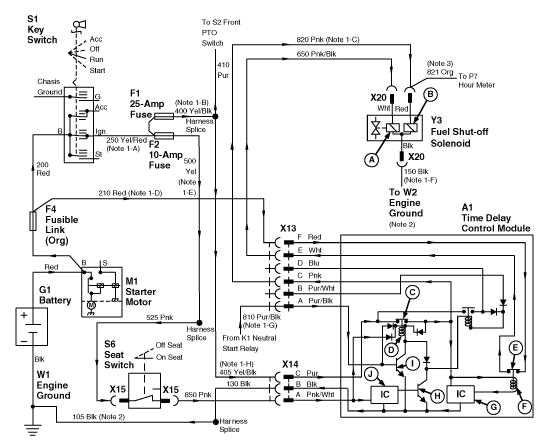
John Deere Gator Hpx Wiring Diagram


Warning: count(): Parameter must be an array or an object that implements Countable in /var/www/html/autocardesign.org/wp-content/themes/silegan-wordpress-theme/inc/themeson.class.php on line 625
John Deere Gator Hpx Wiring Diagram John Deere F910 Wiring Diagram Slots Ddnss De
John Deere Gator Hpx Wiring Diagram John Deere F910 Wiring Diagram Slots Ddnss De
Tags: