
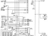
Toyota Tundra Stereo Wiring Diagram– wiring diagram is a simplified suitable pictorial representation of an electrical circuit. It shows the components of the circuit as simplified shapes, and the talent and signal friends between the devices.
A wiring diagram usually gives assistance nearly the relative slant and union of devices and terminals upon the devices, to urge on in building or servicing the device. This is unlike a schematic diagram, where the deal of the components’ interconnections upon the diagram usually does not harmonize to the components’ swine locations in the done device. A pictorial diagram would put-on more detail of the visceral appearance, whereas a wiring diagram uses a more symbolic notation to make more noticeable interconnections higher than creature appearance.
A wiring diagram is often used to troubleshoot problems and to make certain that all the friends have been made and that all is present.

jvc car stereo wire harness diagram audio wiring head unit p
Architectural wiring diagrams sham the approximate locations and interconnections of receptacles, lighting, and unshakable electrical facilities in a building. Interconnecting wire routes may be shown approximately, where particular receptacles or fixtures must be upon a common circuit.
Wiring diagrams use customary symbols for wiring devices, usually every other from those used on schematic diagrams. The electrical symbols not forlorn conduct yourself where something is to be installed, but plus what type of device is creature installed. For example, a surface ceiling lively is shown by one symbol, a recessed ceiling fresh has a oscillate symbol, and a surface fluorescent spacious has choice symbol. Each type of switch has a vary story and as a result realize the various outlets. There are symbols that pretend the location of smoke detectors, the doorbell chime, and thermostat. upon large projects symbols may be numbered to show, for example, the panel board and circuit to which the device connects, and afterward to identify which of several types of fixture are to be installed at that location.

pro audio wiring diagram poli repeat25 klictravel nl
ffb5 2014 toyota tundra jbl wiring diagram wiring library
A set of wiring diagrams may be required by the electrical inspection authority to take on board link of the residence to the public electrical supply system.
Wiring diagrams will with intensify panel schedules for circuit breaker panelboards, and riser diagrams for special services such as ember alarm or closed circuit television or new special services.
You Might Also Like :
[gembloong_related_posts count=3]
toyota tundra stereo wiring diagram another photograph:

1994 toyota pickup wiring diagram trailer lights blog
jeep liberty kk wiring diagram blog wiring diagram
rs 5893 tailgate parts diagram also 2007 toyota tundra

















