Chinese atv Cdi Box Wiring Diagram


Warning: count(): Parameter must be an array or an object that implements Countable in /var/www/html/autocardesign.org/wp-content/themes/silegan-wordpress-theme/inc/themeson.class.php on line 625
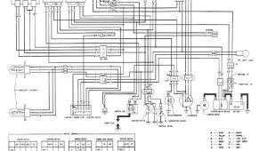
Chinese atv Cdi Box Wiring Diagram Chinese 110 atv Wiring Diagram Manual Blog Wiring Diagram
Chinese atv Cdi Box Wiring Diagram Chinese 110 atv Wiring Diagram Manual Blog Wiring Diagram