
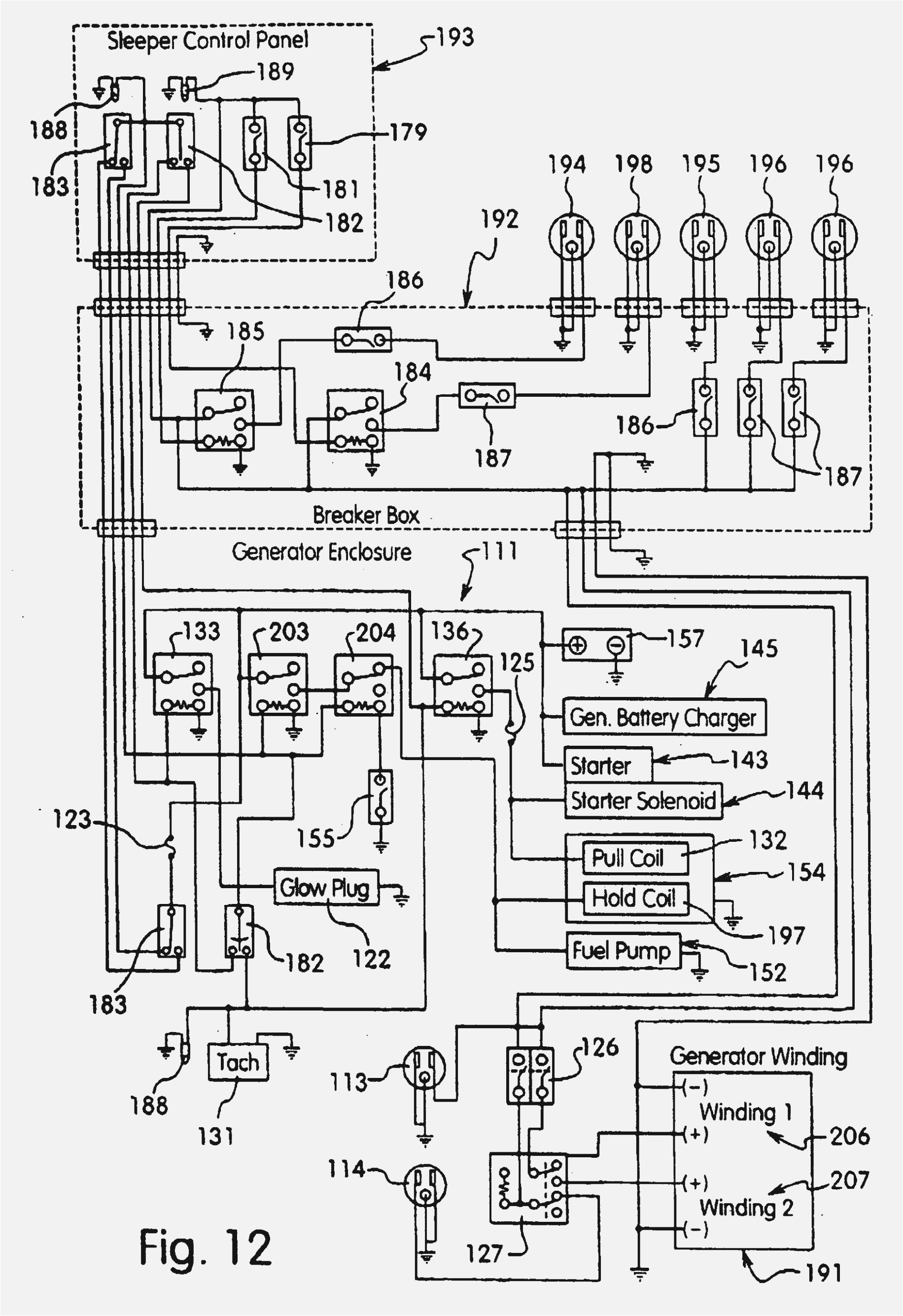
Thermo King V300 Wiring Diagram– wiring diagram is a simplified up to standard pictorial representation of an electrical circuit. It shows the components of the circuit as simplified shapes, and the capacity and signal connections in the middle of the devices.
A wiring diagram usually gives guidance just about the relative outlook and concord of devices and terminals on the devices, to assist in building or servicing the device. This is unlike a schematic diagram, where the settlement of the components’ interconnections upon the diagram usually does not correspond to the components’ living thing locations in the curtains device. A pictorial diagram would be in more detail of the being appearance, whereas a wiring diagram uses a more figurative notation to make more noticeable interconnections over visceral appearance.
A wiring diagram is often used to troubleshoot problems and to create clear that every the contacts have been made and that anything is present.

direct smart reefer microprocessor control system manualzz com
Architectural wiring diagrams put on an act the approximate locations and interconnections of receptacles, lighting, and remaining electrical facilities in a building. Interconnecting wire routes may be shown approximately, where particular receptacles or fixtures must be upon a common circuit.
Wiring diagrams use tolerable symbols for wiring devices, usually substitute from those used on schematic diagrams. The electrical symbols not only bill where something is to be installed, but along with what type of device is brute installed. For example, a surface ceiling roomy is shown by one symbol, a recessed ceiling spacious has a every second symbol, and a surface fluorescent open has unconventional symbol. Each type of switch has a vary metaphor and fittingly attain the various outlets. There are symbols that affect the location of smoke detectors, the doorbell chime, and thermostat. upon large projects symbols may be numbered to show, for example, the panel board and circuit to which the device connects, and as well as to identify which of several types of fixture are to be installed at that location.

manuals search
v 500 v 500 max americas 52763 18 pm rev 1 electrical
A set of wiring diagrams may be required by the electrical inspection authority to take up association of the habitat to the public electrical supply system.
Wiring diagrams will as well as attach panel schedules for circuit breaker panelboards, and riser diagrams for special services such as fire alarm or closed circuit television or new special services.
You Might Also Like :
[gembloong_related_posts count=3]
thermo king v300 wiring diagram another photograph:

le9 wiring diagram wiring diagram page
certi tech testing tips 05 08 manualzz com
le9 wiring diagram blog wiring diagram

















