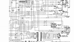
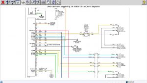
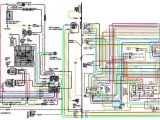
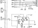
84 Chevy Truck Wiring Diagram


Warning: count(): Parameter must be an array or an object that implements Countable in /var/www/html/autocardesign.org/wp-content/themes/silegan-wordpress-theme/inc/themeson.class.php on line 625
84 Chevy Truck Wiring Diagram Truck Wiring Schematics Pro Wiring Diagram
84 Chevy Truck Wiring Diagram Truck Wiring Schematics Pro Wiring Diagram