2006 yamaha

2006 Yamaha Rhino 660 Wiring Diagram

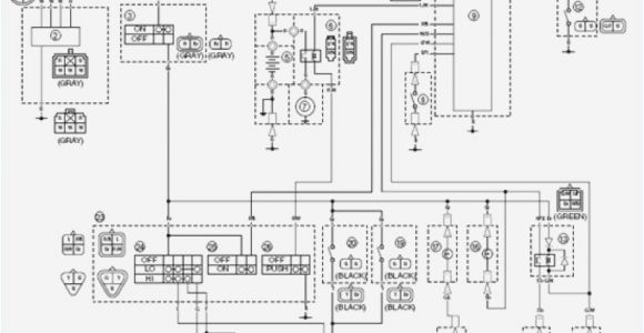
2006 Yamaha Rhino 660 Wiring Diagram En 3124 2006 Yamaha Rhino Wiring Diagram Wiring Diagram
2006 Yamaha Rhino 660 Wiring Diagram En 3124 2006 Yamaha Rhino Wiring Diagram Wiring Diagram
2006 Yamaha Rhino 660 Wiring Diagram En 3124 2006 Yamaha Rhino Wiring Diagram Wiring Diagram
2006 Yamaha Rhino 660 Wiring Diagram No 9967 Hisun 700 Wiring Diagram Schematic Wiring
2006 Yamaha Rhino 660 Wiring Diagram Yc 5002 Yamaha Yfm350 Wiring Diagram Free Diagram

2006 Yamaha Rhino 660 Wiring Diagram - wiring diagram is a simplified pleasing pictorial representation of an electrical circuit. It shows the components of the circuit as simplified shapes, and ...

2006 Yamaha Raptor 350 Wiring Diagram

2006 Yamaha Raptor 350 Wiring Diagram Vy 7214 Wiring Diagram In Addition Yamaha Warrior 350
2006 Yamaha Raptor 350 Wiring Diagram Vy 7214 Wiring Diagram In Addition Yamaha Warrior 350
2006 Yamaha Raptor 350 Wiring Diagram 08 Triumph Wiring Diagrams Blog Wiring Diagram
2006 Yamaha Raptor 350 Wiring Diagram Vy 7214 Wiring Diagram In Addition Yamaha Warrior 350
2006 Yamaha Raptor 350 Wiring Diagram is 350 Wiring Diagram Lari Fuse9 Klictravel Nl

...