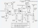
2006 Yamaha Raptor 350 Wiring Diagram


Warning: count(): Parameter must be an array or an object that implements Countable in /var/www/html/autocardesign.org/wp-content/themes/silegan-wordpress-theme/inc/themeson.class.php on line 625
2006 Yamaha Raptor 350 Wiring Diagram Vy 7214 Wiring Diagram In Addition Yamaha Warrior 350
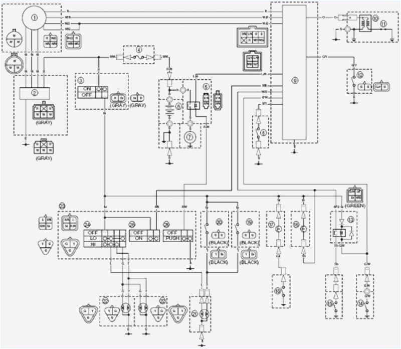
2006 Yamaha Raptor 350 Wiring Diagram Vy 7214 Wiring Diagram In Addition Yamaha Warrior 350