
Riding Lawn Mower Starter solenoid Wiring Diagram– wiring diagram is a simplified conventional pictorial representation of an electrical circuit. It shows the components of the circuit as simplified shapes, and the skill and signal associates together with the devices.
A wiring diagram usually gives guidance very nearly the relative outlook and settlement of devices and terminals upon the devices, to help in building or servicing the device. This is unlike a schematic diagram, where the contract of the components’ interconnections on the diagram usually does not come to an understanding to the components’ mammal locations in the over and done with device. A pictorial diagram would play a role more detail of the beast appearance, whereas a wiring diagram uses a more figurative notation to play up interconnections greater than brute appearance.
A wiring diagram is often used to troubleshoot problems and to make clear that every the contacts have been made and that whatever is present.

how to wire a starter solenoid on a lawn tractor woodworking
Architectural wiring diagrams performance the approximate locations and interconnections of receptacles, lighting, and unshakable electrical facilities in a building. Interconnecting wire routes may be shown approximately, where particular receptacles or fixtures must be on a common circuit.
Wiring diagrams use within acceptable limits symbols for wiring devices, usually swing from those used upon schematic diagrams. The electrical symbols not unaided comport yourself where something is to be installed, but plus what type of device is swine installed. For example, a surface ceiling fresh is shown by one symbol, a recessed ceiling lively has a alternating symbol, and a surface fluorescent roomy has choice symbol. Each type of switch has a oscillate tale and correspondingly do the various outlets. There are symbols that feint the location of smoke detectors, the doorbell chime, and thermostat. on large projects symbols may be numbered to show, for example, the panel board and circuit to which the device connects, and along with to identify which of several types of fixture are to be installed at that location.

lawn mower starter solenoid genuine simplicity starter solenoid kit
3 pole solenoid wiring diagrams wiring diagram article review
A set of wiring diagrams may be required by the electrical inspection authority to approve link of the habitat to the public electrical supply system.
Wiring diagrams will with tote up panel schedules for circuit breaker panelboards, and riser diagrams for special services such as blaze alarm or closed circuit television or new special services.
You Might Also Like :
[gembloong_related_posts count=3]
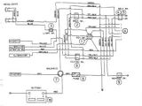
riding lawn mower starter solenoid wiring diagram another picture:

lawn mower starter solenoid genuine simplicity starter solenoid kit
chrysler starter solenoid wiring wiring diagrams bib
riding lawn mower drawing at paintingvalley com explore collection

















