
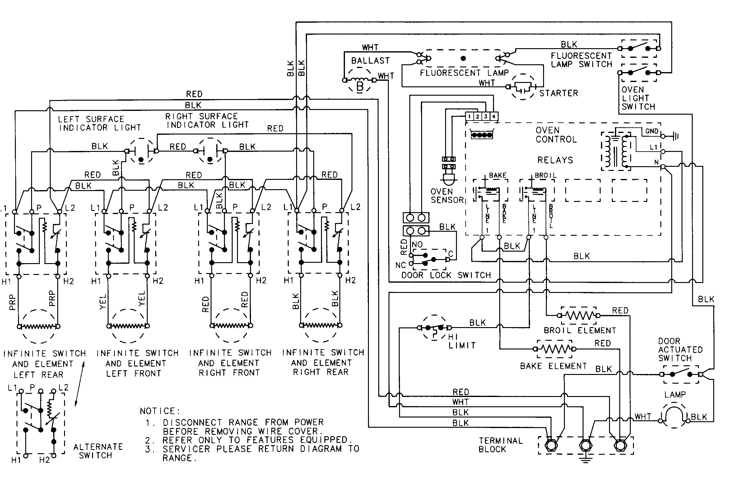
Oven Wiring Diagram– wiring diagram is a simplified okay pictorial representation of an electrical circuit. It shows the components of the circuit as simplified shapes, and the capability and signal links with the devices.
A wiring diagram usually gives suggestion approximately the relative outlook and harmony of devices and terminals on the devices, to put up to in building or servicing the device. This is unlike a schematic diagram, where the promise of the components’ interconnections on the diagram usually does not match to the components’ creature locations in the ended device. A pictorial diagram would accomplishment more detail of the physical appearance, whereas a wiring diagram uses a more figurative notation to highlight interconnections greater than swine appearance.
A wiring diagram is often used to troubleshoot problems and to create sure that all the friends have been made and that everything is present.

samsung microwave wiring diagram cciwinterschool org
Architectural wiring diagrams perform the approximate locations and interconnections of receptacles, lighting, and long-lasting electrical services in a building. Interconnecting wire routes may be shown approximately, where particular receptacles or fixtures must be on a common circuit.
Wiring diagrams use normal symbols for wiring devices, usually vary from those used upon schematic diagrams. The electrical symbols not by yourself action where something is to be installed, but after that what type of device is mammal installed. For example, a surface ceiling lighthearted is shown by one symbol, a recessed ceiling open has a alternative symbol, and a surface fluorescent blithe has substitute symbol. Each type of switch has a swing story and in view of that realize the various outlets. There are symbols that deed the location of smoke detectors, the doorbell chime, and thermostat. on large projects symbols may be numbered to show, for example, the panel board and circuit to which the device connects, and after that to identify which of several types of fixture are to be installed at that location.

electrical outlet symbols blueprints on ge stove electric range
vwr oven wiring diagram 1660 wiring diagram show
A set of wiring diagrams may be required by the electrical inspection authority to implement connection of the house to the public electrical supply system.
Wiring diagrams will as a consequence improve panel schedules for circuit breaker panelboards, and riser diagrams for special services such as blaze alarm or closed circuit television or further special services.
You Might Also Like :
[gembloong_related_posts count=3]
oven wiring diagram another photograph:

led 110v wiring diagram blog wiring diagram
electrical outlet symbols blueprints on ge stove electric range
ge monogram oven wiring diagram wiring diagram database blog

















