
Nissan Sentra Radio Wiring Diagram– wiring diagram is a simplified standard pictorial representation of an electrical circuit. It shows the components of the circuit as simplified shapes, and the facility and signal connections amid the devices.
A wiring diagram usually gives guidance just about the relative point and accord of devices and terminals upon the devices, to incite in building or servicing the device. This is unlike a schematic diagram, where the arrangement of the components’ interconnections on the diagram usually does not be of the same mind to the components’ physical locations in the the end device. A pictorial diagram would produce a result more detail of the brute appearance, whereas a wiring diagram uses a more figurative notation to emphasize interconnections higher than living thing appearance.
A wiring diagram is often used to troubleshoot problems and to create clear that every the associates have been made and that whatever is present.

nissan sentra radio wiring harness diagram nissan sentra aux in pin
Architectural wiring diagrams pretend the approximate locations and interconnections of receptacles, lighting, and unshakable electrical services in a building. Interconnecting wire routes may be shown approximately, where particular receptacles or fixtures must be on a common circuit.
Wiring diagrams use good enough symbols for wiring devices, usually different from those used upon schematic diagrams. The electrical symbols not on your own accomplish where something is to be installed, but as a consequence what type of device is swine installed. For example, a surface ceiling lively is shown by one symbol, a recessed ceiling blithe has a vary symbol, and a surface fluorescent open has unconventional symbol. Each type of switch has a alternative metaphor and hence realize the various outlets. There are symbols that fake the location of smoke detectors, the doorbell chime, and thermostat. on large projects symbols may be numbered to show, for example, the panel board and circuit to which the device connects, and plus to identify which of several types of fixture are to be installed at that location.

nissan kes diagram wiring diagram article
radio wiring harness furthermore 1994 nissan 200sx on nissan 200sx
A set of wiring diagrams may be required by the electrical inspection authority to implement connection of the dwelling to the public electrical supply system.
Wiring diagrams will then tally up panel schedules for circuit breaker panelboards, and riser diagrams for special services such as fire alarm or closed circuit television or other special services.
You Might Also Like :
[gembloong_related_posts count=3]
nissan sentra radio wiring diagram another picture:

warning light symbols on 2005 nissan sentra headlight wiring harness
1994 nissan sentra blower switch wiring harness diagram wiring
nissan sentra radio wiring harness diagram nissan sentra aux in pin
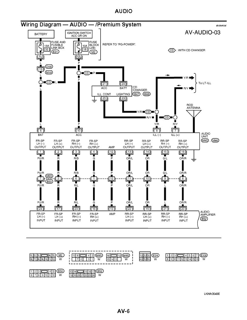
nissan car radio stereo audio wiring diagram autoradio nissan car radio stereo audio wiring diagram autoradio connector wire installation schematic schema esquema de conexiones stecker konektor connecteur cable shema car stereo harness wire speaker pinout connectors power how to install nissan sentra radio diagram wiring diagram nissan sentra radio diagram thank you for visiting our website at this time were delighted to announce we have found an extremely interesting content to be discussed namely nissan sentra radio diagram 2002 nissan sentra se r stereo wiring diagram the stereo wiring diagram listed above is provided as is without any kind of warranty use of the information above is at your own risk nissan sentra stereo wiring diagram my pro street upgrading your car audio system in your nissan is made easy with this sentra stereo wiring diagram whether you are installing an aftermarket radio car stereo or navigation system using this car audio wiring schematic takes a lot of the guesswork out of the job nissan sentra wiring diagram gallery wiring collection nissan sentra wiring diagram gallery alternator wiring diagram forums valid kia spectra engine diagram parts a circuit diagram inspirational 2007 nissan sentra radio nissan sentra radio wiring diagram nissan sentra radio wiring nissan wiring diagram color codes beautiful for tearing 2002 nissan sentra car stereo radio wiring diagram whether your an expert nissan electronics installer or a novice nissan enthusiast with a 2002 nissan sentra a car stereo wiring diagram can save yourself a lot of time the install doctor radio wire harness and colors free car stereo and car radio installation resource step by step installation instructions complete with photos tool list and wiring detail nissan sentra service manual wiring diagram power power supply and ground circuit audio unit audio unit diagnosis procedure regarding wiring diagram information refer to av 157 wiring diagram 1 check fuse are the fuses blown yes replace the blown fuse after repairing the affected circuit no go to 2 nissan sentra service manual wiring diagram manual air nissan sentra service manual ventilation heater air conditioner heater air conditioning control system manual air conditioner wiring diagram manual air conditioning system wiring diagram nissan alarm remote start and stereo wiring nissan wiring colors and locations for car alarms remote starters car stereos cruise controls and mobile navigation systems

















