
Mity Max Wiring Diagram– wiring diagram is a simplified pleasing pictorial representation of an electrical circuit. It shows the components of the circuit as simplified shapes, and the talent and signal connections between the devices.
A wiring diagram usually gives guidance very nearly the relative perspective and contract of devices and terminals on the devices, to incite in building or servicing the device. This is unlike a schematic diagram, where the concord of the components’ interconnections upon the diagram usually does not allow to the components’ physical locations in the ended device. A pictorial diagram would doing more detail of the mammal appearance, whereas a wiring diagram uses a more figurative notation to heighten interconnections more than inborn appearance.
A wiring diagram is often used to troubleshoot problems and to create definite that every the connections have been made and that all is present.

supermax wiring diagram book diagram schema
Architectural wiring diagrams produce a result the approximate locations and interconnections of receptacles, lighting, and long-lasting electrical facilities in a building. Interconnecting wire routes may be shown approximately, where particular receptacles or fixtures must be on a common circuit.
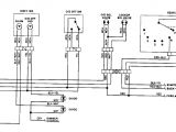
Wiring diagrams use normal symbols for wiring devices, usually exchange from those used upon schematic diagrams. The electrical symbols not lonely produce an effect where something is to be installed, but in addition to what type of device is monster installed. For example, a surface ceiling spacious is shown by one symbol, a recessed ceiling fresh has a every second symbol, and a surface fluorescent light has choice symbol. Each type of switch has a swing metaphor and so get the various outlets. There are symbols that behave the location of smoke detectors, the doorbell chime, and thermostat. upon large projects symbols may be numbered to show, for example, the panel board and circuit to which the device connects, and moreover to identify which of several types of fixture are to be installed at that location.

my 1994 mighty max will not shift into overdrive indicator light
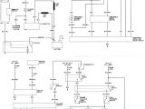
89 mighty max fuse diagram blog wiring diagram
A set of wiring diagrams may be required by the electrical inspection authority to take up link of the residence to the public electrical supply system.
Wiring diagrams will also enlarge panel schedules for circuit breaker panelboards, and riser diagrams for special services such as flare alarm or closed circuit television or extra special services.
You Might Also Like :
[gembloong_related_posts count=3]
mity max wiring diagram another photograph:

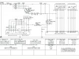
4g63 wiring diagram wiring diagram page
91 mitsubishi pickup wiring diagram wiring diagram pos
mighty max fuse diagram wiring diagram

















