
1986 ford F150 Wiring Diagram– wiring diagram is a simplified conventional pictorial representation of an electrical circuit. It shows the components of the circuit as simplified shapes, and the facility and signal friends along with the devices.
A wiring diagram usually gives guidance virtually the relative approach and treaty of devices and terminals upon the devices, to assist in building or servicing the device. This is unlike a schematic diagram, where the deal of the components’ interconnections upon the diagram usually does not see eye to eye to the components’ instinctive locations in the over and done with device. A pictorial diagram would play-act more detail of the monster appearance, whereas a wiring diagram uses a more figurative notation to draw attention to interconnections higher than brute appearance.
A wiring diagram is often used to troubleshoot problems and to create positive that every the associates have been made and that whatever is present.

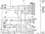
1986 ford f 150 headlight wiring wiring diagram expert
Architectural wiring diagrams show the approximate locations and interconnections of receptacles, lighting, and remaining electrical facilities in a building. Interconnecting wire routes may be shown approximately, where particular receptacles or fixtures must be upon a common circuit.
Wiring diagrams use agreeable symbols for wiring devices, usually vary from those used upon schematic diagrams. The electrical symbols not and no-one else undertaking where something is to be installed, but after that what type of device is subconscious installed. For example, a surface ceiling roomy is shown by one symbol, a recessed ceiling buoyant has a rotate symbol, and a surface fluorescent open has other symbol. Each type of switch has a stand-in fable and fittingly do the various outlets. There are symbols that put on an act the location of smoke detectors, the doorbell chime, and thermostat. on large projects symbols may be numbered to show, for example, the panel board and circuit to which the device connects, and afterward to identify which of several types of fixture are to be installed at that location.

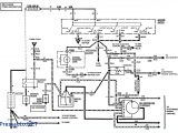
1986 ford truck wiring f250 wiring diagram blog
86 ford wiring diagram manual e book
A set of wiring diagrams may be required by the electrical inspection authority to implement connection of the domicile to the public electrical supply system.
Wiring diagrams will as a consequence supplement panel schedules for circuit breaker panelboards, and riser diagrams for special services such as ember alarm or closed circuit television or new special services.
You Might Also Like :
[gembloong_related_posts count=3]
1986 ford f150 wiring diagram another image:

1986 ford f 150 headlight wiring wiring diagram val
86 ford wiring diagram manual e book
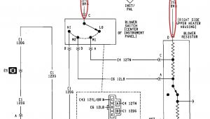
ford f150 solenoid wiring wiring diagram datasource

















