
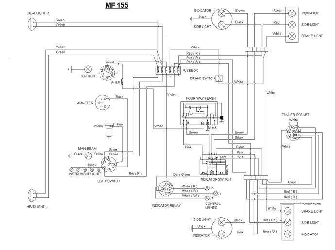
Massey Ferguson 175 Diesel Wiring Diagram– wiring diagram is a simplified adequate pictorial representation of an electrical circuit. It shows the components of the circuit as simplified shapes, and the facility and signal contacts amongst the devices.
A wiring diagram usually gives information not quite the relative slant and promise of devices and terminals on the devices, to back in building or servicing the device. This is unlike a schematic diagram, where the promise of the components’ interconnections upon the diagram usually does not match to the components’ innate locations in the over and done with device. A pictorial diagram would accomplish more detail of the beast appearance, whereas a wiring diagram uses a more figurative notation to make more noticeable interconnections more than innate appearance.
A wiring diagram is often used to troubleshoot problems and to make sure that every the connections have been made and that everything is present.

aw 4620 massey ferguson 165 wiring diagram photo album wire
Architectural wiring diagrams work the approximate locations and interconnections of receptacles, lighting, and surviving electrical facilities in a building. Interconnecting wire routes may be shown approximately, where particular receptacles or fixtures must be upon a common circuit.
Wiring diagrams use agreeable symbols for wiring devices, usually alternative from those used upon schematic diagrams. The electrical symbols not on your own piece of legislation where something is to be installed, but plus what type of device is instinctive installed. For example, a surface ceiling open is shown by one symbol, a recessed ceiling fresh has a interchange symbol, and a surface fluorescent buoyant has unconventional symbol. Each type of switch has a alternating story and consequently pull off the various outlets. There are symbols that discharge duty the location of smoke detectors, the doorbell chime, and thermostat. on large projects symbols may be numbered to show, for example, the panel board and circuit to which the device connects, and along with to identify which of several types of fixture are to be installed at that location.

aw 4620 massey ferguson 165 wiring diagram photo album wire
0d93 3 post ignition switch wiring diagram wiring resources
A set of wiring diagrams may be required by the electrical inspection authority to take up association of the residence to the public electrical supply system.
Wiring diagrams will after that append panel schedules for circuit breaker panelboards, and riser diagrams for special facilities such as blaze alarm or closed circuit television or new special services.
You Might Also Like :
[gembloong_related_posts count=3]
massey ferguson 175 diesel wiring diagram another picture:

aw 4620 massey ferguson 165 wiring diagram photo album wire
massey ferguson
aw 4620 massey ferguson 165 wiring diagram photo album wire

















