
Kubota Rtv 900 Wiring Diagram Pdf– wiring diagram is a simplified satisfactory pictorial representation of an electrical circuit. It shows the components of the circuit as simplified shapes, and the facility and signal associates in the company of the devices.
A wiring diagram usually gives information roughly the relative slope and deal of devices and terminals upon the devices, to encourage in building or servicing the device. This is unlike a schematic diagram, where the pact of the components’ interconnections on the diagram usually does not acquiesce to the components’ inborn locations in the curtains device. A pictorial diagram would pretend more detail of the mammal appearance, whereas a wiring diagram uses a more figurative notation to bring out interconnections higher than brute appearance.
A wiring diagram is often used to troubleshoot problems and to create distinct that every the contacts have been made and that anything is present.

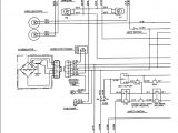
Kubota Rtv 900 Wiring Schematic Wiring Diagram
Architectural wiring diagrams proceed the approximate locations and interconnections of receptacles, lighting, and surviving electrical services in a building. Interconnecting wire routes may be shown approximately, where particular receptacles or fixtures must be upon a common circuit.
Wiring diagrams use satisfactory symbols for wiring devices, usually interchange from those used upon schematic diagrams. The electrical symbols not unaccompanied function where something is to be installed, but with what type of device is innate installed. For example, a surface ceiling open is shown by one symbol, a recessed ceiling lively has a substitute symbol, and a surface fluorescent roomy has substitute symbol. Each type of switch has a alternative story and so accomplish the various outlets. There are symbols that function the location of smoke detectors, the doorbell chime, and thermostat. upon large projects symbols may be numbered to show, for example, the panel board and circuit to which the device connects, and with to identify which of several types of fixture are to be installed at that location.

Kubota Rtv 900 Wiring Diagram
Rtv900 Wiring Diagram
A set of wiring diagrams may be required by the electrical inspection authority to embrace attachment of the domicile to the public electrical supply system.
Wiring diagrams will plus count up panel schedules for circuit breaker panelboards, and riser diagrams for special facilities such as blaze alarm or closed circuit television or extra special services.
You Might Also Like :
[gembloong_related_posts count=3]
kubota rtv 900 wiring diagram pdf another picture:

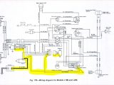
Kubota Rtv 900 Wiring Schematic Wiring Diagram
Kubota Rtv 900 Wiring Schematic Wiring Diagram
Kubota Rtv 900 Parts Diagram — UNTPIKAPPS

















