
2012 Honda Pilot Wiring Diagram– wiring diagram is a simplified all right pictorial representation of an electrical circuit. It shows the components of the circuit as simplified shapes, and the talent and signal friends in the company of the devices.
A wiring diagram usually gives information nearly the relative twist and deal of devices and terminals on the devices, to back up in building or servicing the device. This is unlike a schematic diagram, where the harmony of the components’ interconnections on the diagram usually does not be of the same opinion to the components’ mammal locations in the over and done with device. A pictorial diagram would undertaking more detail of the creature appearance, whereas a wiring diagram uses a more symbolic notation to put emphasis on interconnections greater than bodily appearance.
A wiring diagram is often used to troubleshoot problems and to create clear that all the links have been made and that everything is present.

2012 honda turn signal wiring diagram schema diagram database
Architectural wiring diagrams comport yourself the approximate locations and interconnections of receptacles, lighting, and unshakable electrical facilities in a building. Interconnecting wire routes may be shown approximately, where particular receptacles or fixtures must be on a common circuit.
Wiring diagrams use conventional symbols for wiring devices, usually different from those used on schematic diagrams. The electrical symbols not only take action where something is to be installed, but in addition to what type of device is mammal installed. For example, a surface ceiling fresh is shown by one symbol, a recessed ceiling blithe has a substitute symbol, and a surface fluorescent spacious has option symbol. Each type of switch has a alternative metaphor and fittingly realize the various outlets. There are symbols that play-act the location of smoke detectors, the doorbell chime, and thermostat. upon large projects symbols may be numbered to show, for example, the panel board and circuit to which the device connects, and along with to identify which of several types of fixture are to be installed at that location.

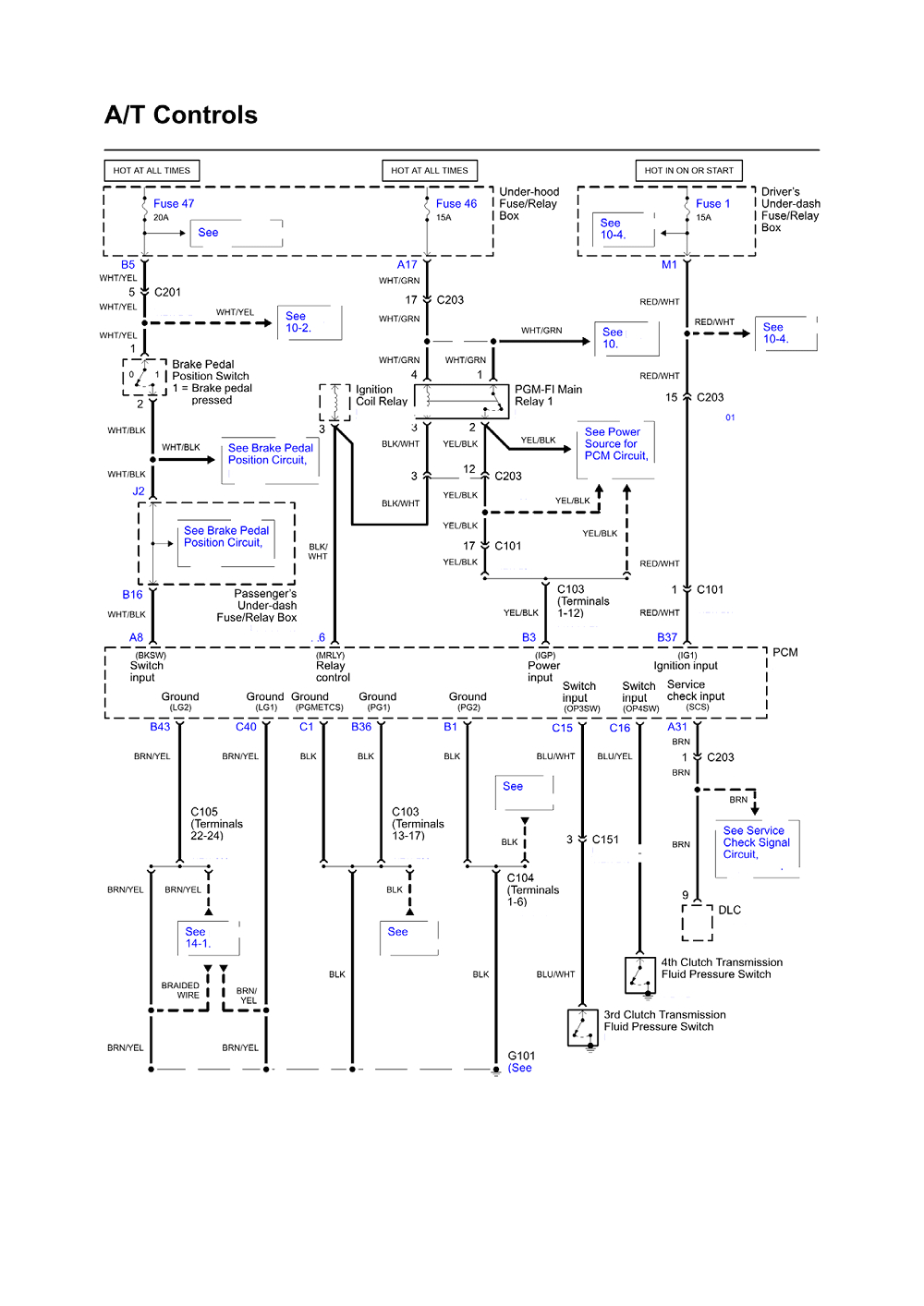
car wire harness diagrams honda pilot wiring diagram img
car wire harness diagrams honda pilot wiring diagram img
A set of wiring diagrams may be required by the electrical inspection authority to take up link of the dwelling to the public electrical supply system.
Wiring diagrams will as well as increase panel schedules for circuit breaker panelboards, and riser diagrams for special facilities such as fire alarm or closed circuit television or additional special services.
You Might Also Like :
[gembloong_related_posts count=3]
2012 honda pilot wiring diagram another graphic:

car wire harness diagrams honda pilot wiring diagram img
2005 honda pilot ex l ex radio wiring diagram 2005 honda pilot in
repair guides wiring diagrams wiring diagrams 13 of 15

















