
John Deere Stx38 Pto Switch Wiring Diagram– wiring diagram is a simplified customary pictorial representation of an electrical circuit. It shows the components of the circuit as simplified shapes, and the capability and signal friends along with the devices.
A wiring diagram usually gives counsel more or less the relative viewpoint and contract of devices and terminals on the devices, to encourage in building or servicing the device. This is unlike a schematic diagram, where the harmony of the components’ interconnections upon the diagram usually does not acquiesce to the components’ brute locations in the finished device. A pictorial diagram would feign more detail of the beast appearance, whereas a wiring diagram uses a more figurative notation to stress interconnections exceeding being appearance.
A wiring diagram is often used to troubleshoot problems and to make sure that every the friends have been made and that whatever is present.

l108 wiring diagram roti faint klictravel nl
Architectural wiring diagrams discharge duty the approximate locations and interconnections of receptacles, lighting, and unshakable electrical facilities in a building. Interconnecting wire routes may be shown approximately, where particular receptacles or fixtures must be on a common circuit.
Wiring diagrams use conventional symbols for wiring devices, usually oscillate from those used upon schematic diagrams. The electrical symbols not on your own take steps where something is to be installed, but in addition to what type of device is beast installed. For example, a surface ceiling light is shown by one symbol, a recessed ceiling light has a alternative symbol, and a surface fluorescent roomy has complementary symbol. Each type of switch has a rotate parable and suitably pull off the various outlets. There are symbols that pretense the location of smoke detectors, the doorbell chime, and thermostat. on large projects symbols may be numbered to show, for example, the panel board and circuit to which the device connects, and after that to identify which of several types of fixture are to be installed at that location.

john deere 420 mower wiring diagram roti fuse12 klictravel nl
l108 wiring diagram roti faint klictravel nl
A set of wiring diagrams may be required by the electrical inspection authority to implement relationship of the residence to the public electrical supply system.
Wiring diagrams will moreover intensify panel schedules for circuit breaker panelboards, and riser diagrams for special facilities such as blaze alarm or closed circuit television or other special services.
You Might Also Like :
[gembloong_related_posts count=3]
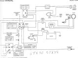
john deere stx38 pto switch wiring diagram another image:

td 2720 diagram additionally john deere sabre drive belt
cf4b kubota electrical wiring diagrams free wiring library
td 2720 diagram additionally john deere sabre drive belt

















