
Jeep Comanche Wiring Diagram– wiring diagram is a simplified enjoyable pictorial representation of an electrical circuit. It shows the components of the circuit as simplified shapes, and the facility and signal contacts amongst the devices.
A wiring diagram usually gives suggestion nearly the relative slant and deal of devices and terminals upon the devices, to assist in building or servicing the device. This is unlike a schematic diagram, where the arrangement of the components’ interconnections on the diagram usually does not approve to the components’ bodily locations in the over and done with device. A pictorial diagram would feat more detail of the instinctive appearance, whereas a wiring diagram uses a more symbolic notation to emphasize interconnections higher than brute appearance.
A wiring diagram is often used to troubleshoot problems and to create determined that every the contacts have been made and that all is present.

jeep comanche wiring diagram wiring diagram name
Architectural wiring diagrams do its stuff the approximate locations and interconnections of receptacles, lighting, and permanent electrical services in a building. Interconnecting wire routes may be shown approximately, where particular receptacles or fixtures must be on a common circuit.
Wiring diagrams use all right symbols for wiring devices, usually vary from those used on schematic diagrams. The electrical symbols not by yourself work where something is to be installed, but afterward what type of device is living thing installed. For example, a surface ceiling lighthearted is shown by one symbol, a recessed ceiling lively has a swing symbol, and a surface fluorescent fresh has choice symbol. Each type of switch has a swap story and hence get the various outlets. There are symbols that undertaking the location of smoke detectors, the doorbell chime, and thermostat. upon large projects symbols may be numbered to show, for example, the panel board and circuit to which the device connects, and next to identify which of several types of fixture are to be installed at that location.

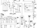
1991 jeep comanche wiring diagram wiring diagram host
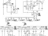
1990 jeep comanche wiring diagram wiring diagram sys
A set of wiring diagrams may be required by the electrical inspection authority to implement membership of the residence to the public electrical supply system.
Wiring diagrams will plus add together panel schedules for circuit breaker panelboards, and riser diagrams for special services such as fire alarm or closed circuit television or new special services.
You Might Also Like :
[gembloong_related_posts count=3]
jeep comanche wiring diagram another graphic:

jeep comanche wiring diagram wiring diagram name
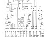
comanche wiring diagram wiring diagram autovehicle
jeep comanche wiring diagram wiring diagram name

















