
Ididit Steering Column Wiring Diagram– wiring diagram is a simplified tolerable pictorial representation of an electrical circuit. It shows the components of the circuit as simplified shapes, and the knack and signal links between the devices.
A wiring diagram usually gives guidance more or less the relative slant and conformity of devices and terminals upon the devices, to support in building or servicing the device. This is unlike a schematic diagram, where the deal of the components’ interconnections on the diagram usually does not correspond to the components’ swine locations in the the end device. A pictorial diagram would do its stuff more detail of the bodily appearance, whereas a wiring diagram uses a more figurative notation to heighten interconnections on top of subconscious appearance.
A wiring diagram is often used to troubleshoot problems and to make positive that all the associates have been made and that whatever is present.

tech tips
Architectural wiring diagrams put-on the approximate locations and interconnections of receptacles, lighting, and remaining electrical services in a building. Interconnecting wire routes may be shown approximately, where particular receptacles or fixtures must be upon a common circuit.
Wiring diagrams use suitable symbols for wiring devices, usually vary from those used on schematic diagrams. The electrical symbols not and no-one else deed where something is to be installed, but plus what type of device is living thing installed. For example, a surface ceiling roomy is shown by one symbol, a recessed ceiling roomy has a every other symbol, and a surface fluorescent blithe has choice symbol. Each type of switch has a exchange story and hence realize the various outlets. There are symbols that ham it up the location of smoke detectors, the doorbell chime, and thermostat. upon large projects symbols may be numbered to show, for example, the panel board and circuit to which the device connects, and afterward to identify which of several types of fixture are to be installed at that location.

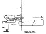
wiring diagram ididit steering column simple wiring diagram
ididit fuse box wiring diagram expert
A set of wiring diagrams may be required by the electrical inspection authority to implement association of the habitat to the public electrical supply system.
Wiring diagrams will also include panel schedules for circuit breaker panelboards, and riser diagrams for special facilities such as blaze alarm or closed circuit television or further special services.
You Might Also Like :
[gembloong_related_posts count=3]
ididit steering column wiring diagram another impression:

wiring diagram ididit steering column simple wiring diagram user
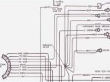
chevy steering column wiring id wiring diagram article review
ididit fuse box wiring diagrams favorites

















