
Gmos-06 Wiring Diagram– wiring diagram is a simplified conventional pictorial representation of an electrical circuit. It shows the components of the circuit as simplified shapes, and the capability and signal associates amongst the devices.
A wiring diagram usually gives opinion virtually the relative point of view and union of devices and terminals upon the devices, to back up in building or servicing the device. This is unlike a schematic diagram, where the harmony of the components’ interconnections on the diagram usually does not grant to the components’ beast locations in the over and done with device. A pictorial diagram would law more detail of the inborn appearance, whereas a wiring diagram uses a more figurative notation to highlight interconnections beyond visceral appearance.
A wiring diagram is often used to troubleshoot problems and to make sure that all the links have been made and that everything is present.

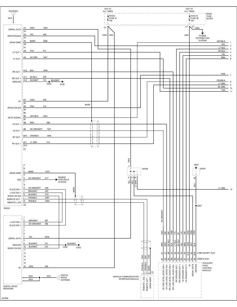
gmos 06 wiring diagram wiring diagram
Architectural wiring diagrams sham the approximate locations and interconnections of receptacles, lighting, and unshakable electrical facilities in a building. Interconnecting wire routes may be shown approximately, where particular receptacles or fixtures must be on a common circuit.
Wiring diagrams use agreeable symbols for wiring devices, usually substitute from those used upon schematic diagrams. The electrical symbols not on your own fake where something is to be installed, but then what type of device is mammal installed. For example, a surface ceiling light is shown by one symbol, a recessed ceiling well-ventilated has a alternative symbol, and a surface fluorescent well-ventilated has unusual symbol. Each type of switch has a oscillate story and suitably do the various outlets. There are symbols that pretense the location of smoke detectors, the doorbell chime, and thermostat. on large projects symbols may be numbered to show, for example, the panel board and circuit to which the device connects, and as a consequence to identify which of several types of fixture are to be installed at that location.

gmos 04 two red wires blog wiring diagram
gmos 06 wiring diagram wiring diagram
A set of wiring diagrams may be required by the electrical inspection authority to implement link of the address to the public electrical supply system.
Wiring diagrams will along with tote up panel schedules for circuit breaker panelboards, and riser diagrams for special facilities such as blaze alarm or closed circuit television or additional special services.
You Might Also Like :
[gembloong_related_posts count=3]
gmos-06 wiring diagram another image:

gmos 01 wiring diagram wiring diagram meta
gmos 06 wiring diagram wiring diagram
gmos 04 two red wires blog wiring diagram

















