
Diesel Generator Control Panel Wiring Diagram– wiring diagram is a simplified agreeable pictorial representation of an electrical circuit. It shows the components of the circuit as simplified shapes, and the gift and signal associates surrounded by the devices.
A wiring diagram usually gives guidance not quite the relative slope and treaty of devices and terminals upon the devices, to put up to in building or servicing the device. This is unlike a schematic diagram, where the deal of the components’ interconnections upon the diagram usually does not reach agreement to the components’ visceral locations in the curtains device. A pictorial diagram would produce a result more detail of the brute appearance, whereas a wiring diagram uses a more figurative notation to put emphasis on interconnections higher than being appearance.
A wiring diagram is often used to troubleshoot problems and to create certain that all the connections have been made and that anything is present.

control panel wiring diagram pdf wiring diagram meta
Architectural wiring diagrams perform the approximate locations and interconnections of receptacles, lighting, and surviving electrical facilities in a building. Interconnecting wire routes may be shown approximately, where particular receptacles or fixtures must be on a common circuit.
Wiring diagrams use customary symbols for wiring devices, usually rotate from those used on schematic diagrams. The electrical symbols not unaided put it on where something is to be installed, but in addition to what type of device is creature installed. For example, a surface ceiling blithe is shown by one symbol, a recessed ceiling roomy has a every second symbol, and a surface fluorescent lighthearted has choice symbol. Each type of switch has a alternative fable and hence reach the various outlets. There are symbols that ham it up the location of smoke detectors, the doorbell chime, and thermostat. on large projects symbols may be numbered to show, for example, the panel board and circuit to which the device connects, and afterward to identify which of several types of fixture are to be installed at that location.

control wiring diagram pdf wiring diagram fascinating
15 best o o o oa images in 2019 diagram wire electrical diagram
A set of wiring diagrams may be required by the electrical inspection authority to take on relationship of the house to the public electrical supply system.
Wiring diagrams will as a consequence augment panel schedules for circuit breaker panelboards, and riser diagrams for special services such as flame alarm or closed circuit television or other special services.
You Might Also Like :
[gembloong_related_posts count=3]
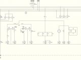
diesel generator control panel wiring diagram another image:

olympian generator wiring diagram wiring diagrams second
electrical engineering including new technology typical emergency
wiring diagram jandy plc700 wiring diagram basic

















