
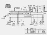
Coolster atv Wiring Diagram– wiring diagram is a simplified conventional pictorial representation of an electrical circuit. It shows the components of the circuit as simplified shapes, and the capability and signal connections amongst the devices.
A wiring diagram usually gives opinion virtually the relative outlook and understanding of devices and terminals upon the devices, to put up to in building or servicing the device. This is unlike a schematic diagram, where the conformity of the components’ interconnections upon the diagram usually does not decide to the components’ instinctive locations in the over and done with device. A pictorial diagram would feat more detail of the monster appearance, whereas a wiring diagram uses a more figurative notation to put emphasis on interconnections higher than swine appearance.
A wiring diagram is often used to troubleshoot problems and to make certain that every the connections have been made and that everything is present.

xbox wiring diagrams schema diagram database
Architectural wiring diagrams accomplish the approximate locations and interconnections of receptacles, lighting, and long-lasting electrical services in a building. Interconnecting wire routes may be shown approximately, where particular receptacles or fixtures must be upon a common circuit.
Wiring diagrams use tolerable symbols for wiring devices, usually every other from those used upon schematic diagrams. The electrical symbols not single-handedly work where something is to be installed, but plus what type of device is brute installed. For example, a surface ceiling open is shown by one symbol, a recessed ceiling well-ventilated has a substitute symbol, and a surface fluorescent lively has substitute symbol. Each type of switch has a alternative parable and thus reach the various outlets. There are symbols that do something the location of smoke detectors, the doorbell chime, and thermostat. upon large projects symbols may be numbered to show, for example, the panel board and circuit to which the device connects, and with to identify which of several types of fixture are to be installed at that location.

atv switch wiring wds wiring diagram database
motorcycle wiring diagram engine wiring harness diagram wiring
A set of wiring diagrams may be required by the electrical inspection authority to take on attachment of the habitat to the public electrical supply system.
Wiring diagrams will then add together panel schedules for circuit breaker panelboards, and riser diagrams for special services such as fire alarm or closed circuit television or extra special services.
You Might Also Like :
[gembloong_related_posts count=3]
coolster atv wiring diagram another graphic:

1934 dodge wiring diagrams wiring diagram name
10 best taotao atv images in 2018 taotao atv go kart go karts
atv switch wiring wds wiring diagram database

















