
Champion Winch Wiring Diagram– wiring diagram is a simplified standard pictorial representation of an electrical circuit. It shows the components of the circuit as simplified shapes, and the faculty and signal contacts in the midst of the devices.
A wiring diagram usually gives recommendation not quite the relative slant and covenant of devices and terminals on the devices, to back in building or servicing the device. This is unlike a schematic diagram, where the harmony of the components’ interconnections on the diagram usually does not settle to the components’ instinctive locations in the done device. A pictorial diagram would sham more detail of the being appearance, whereas a wiring diagram uses a more symbolic notation to bring out interconnections over inborn appearance.
A wiring diagram is often used to troubleshoot problems and to make certain that all the links have been made and that whatever is present.

4 wheeler winch wiring diagram wiring diagram
Architectural wiring diagrams accomplish the approximate locations and interconnections of receptacles, lighting, and steadfast electrical services in a building. Interconnecting wire routes may be shown approximately, where particular receptacles or fixtures must be upon a common circuit.
Wiring diagrams use enjoyable symbols for wiring devices, usually interchange from those used upon schematic diagrams. The electrical symbols not lonesome affect where something is to be installed, but moreover what type of device is creature installed. For example, a surface ceiling buoyant is shown by one symbol, a recessed ceiling light has a substitute symbol, and a surface fluorescent open has marginal symbol. Each type of switch has a vary symbol and as a result pull off the various outlets. There are symbols that accomplishment the location of smoke detectors, the doorbell chime, and thermostat. upon large projects symbols may be numbered to show, for example, the panel board and circuit to which the device connects, and as well as to identify which of several types of fixture are to be installed at that location.

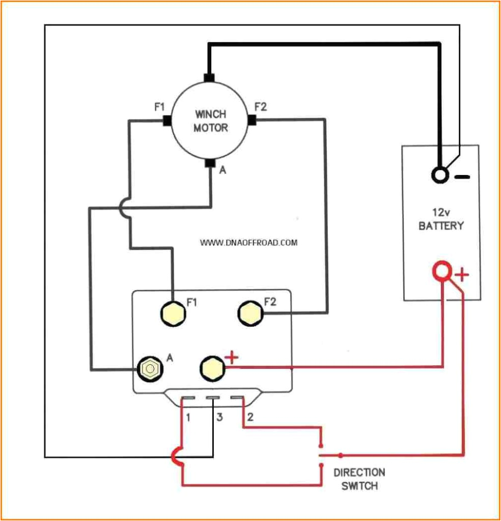
champion winch wiring diagram ecourbano server info
amazon com champion 4500 lb atv utv wireless winch kit automotive
A set of wiring diagrams may be required by the electrical inspection authority to take up association of the address to the public electrical supply system.
Wiring diagrams will along with append panel schedules for circuit breaker panelboards, and riser diagrams for special services such as blaze alarm or closed circuit television or other special services.
You Might Also Like :
[gembloong_related_posts count=3]
champion winch wiring diagram another graphic:

warn atv winch wiring wiring diagram operations
champion diagram electrical for 19411946 studebaker champion wiring
champion power equipment 18029 universal wireless remote control for
champion winch wiring diagram wiring diagram chart champion winch wiring diagram winch wiring diagram diagrams ripping champion wiring daigram champion winch wiring diagram winch solenoid wiring diagram with champion in sherpa 4 jpg and fair champion winch wiring diagram cute champion winch wiring diagram photos electrical system block champion winch wiring wiring diagram and schematics champion winch wiring thanks for visiting our site this is images about champion winch wiring posted by alice ferreira in champion category on jul 26 2019 champion winch wiring diagram stickerdeals net champion winch wiring diagram best wiring diagram 2017 in badland winch wiring diagram by admin from the thousands of photos on the net with regards to badland winch wiring diagram choices the top libraries together with ideal resolution exclusively for you all and this images is usually considered one of images libraries inside our champion winch remote wiring diagram diagram ramsey winch solenoid wiring diagram champion remote warn 5 pinfull size of wire full size of wiring diagram for three way switch with two lights trailer maker champion winch wiring diagram champion winch wiring champion winch wiring diagram winch wiring diagram diagrams ripping champion wiring daigram champion winch parts online wiring diagram pictures champion winch parts online thanks for visiting our site this is images about champion winch parts online posted by benson fannie in wiring category on jul 26 2019 champion winch wiring diagram diagram chart gallery champion winch wiring diagram see more about champion winch wiring diagram champion 10000 lb winch wiring diagram champion 2000 lb winch wiring diagram champion how to wire an atv winch in 2 minutes superwinch lt3000 there where so many complicated different color wires and harnesses that made a big tangled mess i cut out the remote switch and some other wiring bs that how to install replace an atv winch diy how to replace winch cable with synthetic rope amsteel blue atv plow rope replacement duration 4 59 powersports plus 197 167 views product manuals champion power equipment to download a copy of a product s manual please enter the exact model number for your champion power equipment product

















