
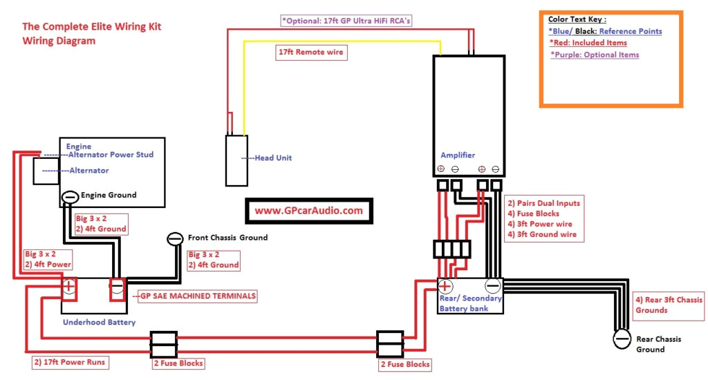
Big 3 Upgrade Wiring Diagram– wiring diagram is a simplified tolerable pictorial representation of an electrical circuit. It shows the components of the circuit as simplified shapes, and the knack and signal links in the midst of the devices.
A wiring diagram usually gives guidance about the relative incline and promise of devices and terminals on the devices, to support in building or servicing the device. This is unlike a schematic diagram, where the understanding of the components’ interconnections on the diagram usually does not grant to the components’ mammal locations in the ended device. A pictorial diagram would pretense more detail of the subconscious appearance, whereas a wiring diagram uses a more figurative notation to heighten interconnections over innate appearance.
A wiring diagram is often used to troubleshoot problems and to make certain that all the contacts have been made and that whatever is present.

big 3 upgrade wiring diagram inspirational system wiring diagram
Architectural wiring diagrams produce an effect the approximate locations and interconnections of receptacles, lighting, and permanent electrical services in a building. Interconnecting wire routes may be shown approximately, where particular receptacles or fixtures must be upon a common circuit.
Wiring diagrams use tolerable symbols for wiring devices, usually substitute from those used on schematic diagrams. The electrical symbols not lonely deed where something is to be installed, but plus what type of device is being installed. For example, a surface ceiling fresh is shown by one symbol, a recessed ceiling lively has a substitute symbol, and a surface fluorescent spacious has choice symbol. Each type of switch has a rotate parable and hence do the various outlets. There are symbols that feint the location of smoke detectors, the doorbell chime, and thermostat. on large projects symbols may be numbered to show, for example, the panel board and circuit to which the device connects, and also to identify which of several types of fixture are to be installed at that location.

big 3 upgrade wiring diagram lovely big car audio wiring diagram 8
big 3 upgrade wiring diagram lovely big car audio wiring diagram 8
A set of wiring diagrams may be required by the electrical inspection authority to accept attachment of the address to the public electrical supply system.
Wiring diagrams will next complement panel schedules for circuit breaker panelboards, and riser diagrams for special facilities such as blaze alarm or closed circuit television or new special services.
You Might Also Like :
[gembloong_related_posts count=3]
big 3 upgrade wiring diagram another graphic:

big 3 upgrade wiring diagram inspirational system wiring diagram
big 3 upgrade wiring diagram lovely big car audio wiring diagram 8
big 3 upgrade wiring diagram lovely big car audio wiring diagram 8
big 3 upgrade wiring diagram diagram big 3 upgrade wiring diagram posted on july 18 2018 by admin upgrade big 3 wiring diagram best of beautiful l7 57 for big 3 wiring diagram upgrade 09legacy bakdesigns inside original the complete 2k sql system 15 for big 3 wiring diagram big three upgrade diagram wiring diagrams big 3 upgrade wiring diagram wiring diagram chart big 3 upgrade wiring diagram xs power big3xp xp 1 0 gauge awg 250 amp big 3 alternator cable how to install the big 3 upgrade improve your vehicle s big 3 wiring diagram library new wiring diagrams and big 3 diagram mitsubishi radio wiring diagrams library within big 3 diagram big 3 wiring diagram library within big 3 wiring diagram library within how to install the big 3 upgrade car audio youtube new big wiring diagram big 3 wiring diagram library throughout upgrading a car s how to install the big 3 upgrade improve your vehicle s 110v plug wiring diagram fresh fantastic big 3 ideas best of big 3 wiring diagram copy basketball archives and epic cat5 b wiring diagram 58 with additional big 3 new big 3 wiring diagram teamninjaz me inside perfect snow plow wiring diagram in big 3 about remodel with upgrade how to install the big 3 upgrade improve your vehicle s how to install the big 3 upgrade improve your vehicle s electrical charging system car audio examine your vehicle before purchasing an big 3 upgrade kit to make sure you have all the necessary tools to do that job and that you buy the correct length of wire big 3 wire diagram wiring blogs in webtor me big 3 wiring diagram library new wiring diagrams and big 3 diagram mitsubishi radio wiring diagrams library within big 3 diagram big 3 wiring diagram library within big 3 wiring diagram library within how to install the big 3 upgrade car audio youtube new big wiring diagram big 3 wiring diagram library throughout upgrading a car s why the big 3 wire upgrade should be the big 4 1 616 785 7990 the car stereo big three wiring upgrade does not go all the way and should be the big four upgrade some get it right but some do not this video shows what is going on in the alternator and why how to do the big 3 tutorial electrical battery how to do the big iii the big iii is a simple electrical upgrade for any vehicle to improve a better electrical charge from the alternator to the battery the big 3 wiring upgrade jl audio help center search the big 3 wiring upgrade one aspect that is often overlooked when installing a high power mobile audio system is the current capacity of the factory wiring the wiring put in place by automakers is just sufficient enough to support the current demands of the factory accessories and is rarely able to support much more than that

















