2013 Vw Passat Radio Wiring Diagram


Warning: count(): Parameter must be an array or an object that implements Countable in /var/www/html/autocardesign.org/wp-content/themes/silegan-wordpress-theme/inc/themeson.class.php on line 625
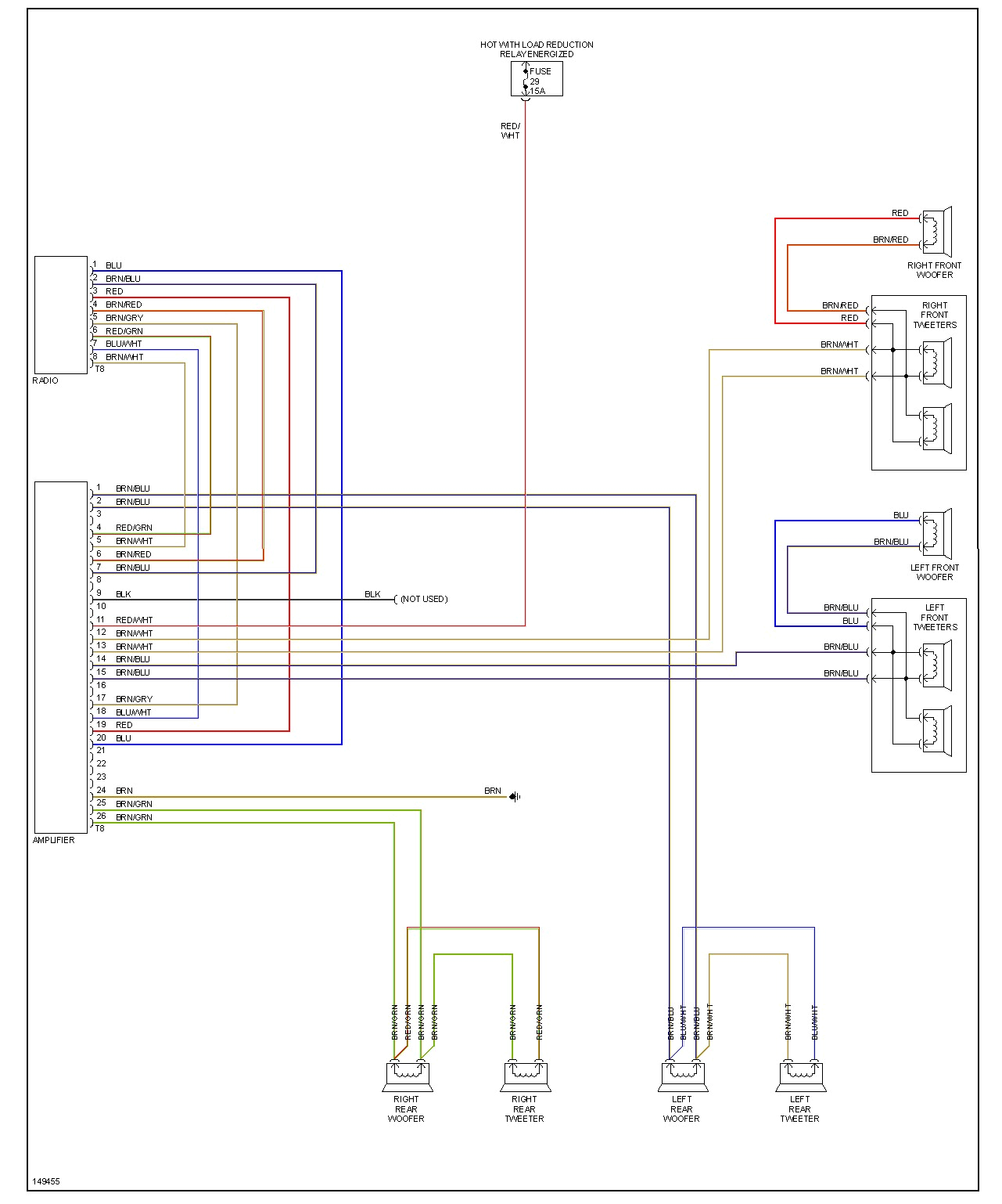
2013 Vw Passat Radio Wiring Diagram A2d 2004 Vw Jetta Tail Light Wiring Diagrams Wiring Resources
2013 Vw Passat Radio Wiring Diagram A2d 2004 Vw Jetta Tail Light Wiring Diagrams Wiring Resources