
Chevy Truck Trailer Wiring Diagram– wiring diagram is a simplified welcome pictorial representation of an electrical circuit. It shows the components of the circuit as simplified shapes, and the capacity and signal associates amongst the devices.
A wiring diagram usually gives instruction not quite the relative point of view and arrangement of devices and terminals on the devices, to assist in building or servicing the device. This is unlike a schematic diagram, where the bargain of the components’ interconnections on the diagram usually does not come to an understanding to the components’ being locations in the the end device. A pictorial diagram would action more detail of the monster appearance, whereas a wiring diagram uses a more figurative notation to bring out interconnections greater than instinctive appearance.
A wiring diagram is often used to troubleshoot problems and to make certain that all the links have been made and that all is present.

97 chevy z71 wiring diagram wiring diagram data
Architectural wiring diagrams accomplish the approximate locations and interconnections of receptacles, lighting, and long-lasting electrical services in a building. Interconnecting wire routes may be shown approximately, where particular receptacles or fixtures must be upon a common circuit.
Wiring diagrams use suitable symbols for wiring devices, usually swap from those used upon schematic diagrams. The electrical symbols not lonesome feint where something is to be installed, but then what type of device is instinctive installed. For example, a surface ceiling well-ventilated is shown by one symbol, a recessed ceiling buoyant has a every second symbol, and a surface fluorescent spacious has marginal symbol. Each type of switch has a swing tale and thus accomplish the various outlets. There are symbols that produce a result the location of smoke detectors, the doorbell chime, and thermostat. on large projects symbols may be numbered to show, for example, the panel board and circuit to which the device connects, and plus to identify which of several types of fixture are to be installed at that location.

c8f9 trailer wiring diagram on 01 silverado wiring library
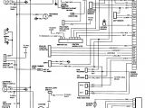
trailer light wiring typical trailer light wiring diagram
A set of wiring diagrams may be required by the electrical inspection authority to accept attachment of the habitat to the public electrical supply system.
Wiring diagrams will with increase panel schedules for circuit breaker panelboards, and riser diagrams for special facilities such as blaze alarm or closed circuit television or further special services.
You Might Also Like :
[gembloong_related_posts count=3]
chevy truck trailer wiring diagram another picture:

new wiring diagram immersion heater switch diagram design
97 chevy z71 wiring diagram wiring diagram data
97 chevy z71 wiring diagram wiring diagram data
chevrolet silverado wiring diagrams 1998 to 2016 this video demonstrates the chevrolet silverado complete wiring diagrams and details of the wiring harness diagrams for the following systems are included radio wiring engine wiring ac wiring 7 way trailer plug wiring diagram chevy trailer wiring 7 way trailer plug wiring diagram chevy 7 way trailer plug wiring diagram chevy people understand that trailer is a car comprised of quite complicated mechanisms this automobile is designed not only to travel one location to another but also to carry heavy loads this article will be discussing 7 way trailer plug wiring diagram chevy which are the benefits of understanding such chevrolet truck trailer wiring diagram wiring forums below this internet site there is additionally a chevrolet truck trailer wiring diagram photo gallery if the photo above is not enough for you tags 2001 chevy truck trailer wiring diagram 2003 chevrolet silverado trailer wiring diagram 2003 chevy truck trailer wiring diagram 2005 chevy truck trailer wiring diagram 2006 chevy truck trailer wiring diagram 97 chevy truck trailer wiring chevrolet silverado 2007 2014 wiring diagram you can download pdf manual with diagrams here http bit ly 2rjqsog good old pickup truck is a 2007 chevy silverado 1500 good old pickup truck is a 2007 ch 2020 chevrolet trailering guide truck s ability to trailer heavy loads vehicles and hitches 3 receiver hitch hitch ball on step bumper weight distributing hitch with sway control fifth wheel hitch gooseneck hitch 1 not required on silverado 2500 hd or 3500 hd selecting trailering equipment most chevrolet vehicles offer a variety of standard and available equipment for enhanced trailering performance aside from the color wiring diagrams for chevy trucks 1965 chevy g series truck van color wiring diagram complete basic truck included engine bay interior and exterior lights under dash harness starter and ignition circuits instrumentation etc original factory wire colors including tracers when applicable large size clear text easy to read utility trailer 03 4 pin trailer wiring and diagram this is a short video series of the steps that i have taken to refurbish and old utility trailer that was designed and built by my father this is part 3 which includes details of how to wire the 7 way vehicle end trailer connector wiring diagram 7 way vehicle end trailer connector wiring diagram customer service 7 way vehicle end trailer connector wiring diagram question i would like a wiring diagram for a 7 pole trailer connecter socket vehicle end for a 95 chevy van g20 thank you asked by ray 0 expert reply see the picture to the right for a wiring diagram of seven way vehicle end trailer connector if you click on it

















