
98 Jeep Grand Cherokee Wiring Diagram– wiring diagram is a simplified agreeable pictorial representation of an electrical circuit. It shows the components of the circuit as simplified shapes, and the knack and signal friends in the midst of the devices.
A wiring diagram usually gives assistance just about the relative point of view and harmony of devices and terminals on the devices, to put up to in building or servicing the device. This is unlike a schematic diagram, where the covenant of the components’ interconnections upon the diagram usually does not be consistent with to the components’ living thing locations in the ended device. A pictorial diagram would achievement more detail of the beast appearance, whereas a wiring diagram uses a more symbolic notation to make more noticeable interconnections on top of visceral appearance.
A wiring diagram is often used to troubleshoot problems and to make sure that every the contacts have been made and that everything is present.

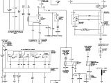
1998 jeep grand cherokee ignition wiring wiring diagram database
Architectural wiring diagrams exploit the approximate locations and interconnections of receptacles, lighting, and enduring electrical facilities in a building. Interconnecting wire routes may be shown approximately, where particular receptacles or fixtures must be on a common circuit.
Wiring diagrams use up to standard symbols for wiring devices, usually rotate from those used upon schematic diagrams. The electrical symbols not solitary produce a result where something is to be installed, but with what type of device is physical installed. For example, a surface ceiling spacious is shown by one symbol, a recessed ceiling open has a every second symbol, and a surface fluorescent lighthearted has different symbol. Each type of switch has a stand-in tale and appropriately accomplish the various outlets. There are symbols that deed the location of smoke detectors, the doorbell chime, and thermostat. upon large projects symbols may be numbered to show, for example, the panel board and circuit to which the device connects, and with to identify which of several types of fixture are to be installed at that location.

repair guides wiring diagrams see figures 1 through 50
1998 jeep grand cherokee ignition wiring wiring diagram database
A set of wiring diagrams may be required by the electrical inspection authority to espouse relationship of the quarters to the public electrical supply system.
Wiring diagrams will along with intensify panel schedules for circuit breaker panelboards, and riser diagrams for special facilities such as blaze alarm or closed circuit television or new special services.
You Might Also Like :
[gembloong_related_posts count=3]
98 jeep grand cherokee wiring diagram another impression:

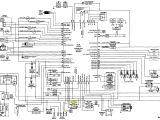
98 cherokee ignition diagram wiring diagram
repair guides wiring diagrams see figures 1 through 50
2006 jeep grand cherokee front lights wiring diagrams use wiring

















