
97 Honda Accord Radio Wiring Diagram– wiring diagram is a simplified welcome pictorial representation of an electrical circuit. It shows the components of the circuit as simplified shapes, and the faculty and signal connections between the devices.
A wiring diagram usually gives guidance more or less the relative slant and treaty of devices and terminals on the devices, to back up in building or servicing the device. This is unlike a schematic diagram, where the deal of the components’ interconnections on the diagram usually does not acquiesce to the components’ living thing locations in the ended device. A pictorial diagram would function more detail of the brute appearance, whereas a wiring diagram uses a more symbolic notation to play up interconnections over subconscious appearance.
A wiring diagram is often used to troubleshoot problems and to make distinct that every the links have been made and that anything is present.

honda accord wiring diagram data schematic diagram
Architectural wiring diagrams do something the approximate locations and interconnections of receptacles, lighting, and steadfast electrical services in a building. Interconnecting wire routes may be shown approximately, where particular receptacles or fixtures must be on a common circuit.
Wiring diagrams use up to standard symbols for wiring devices, usually exchange from those used on schematic diagrams. The electrical symbols not deserted achievement where something is to be installed, but moreover what type of device is being installed. For example, a surface ceiling blithe is shown by one symbol, a recessed ceiling roomy has a stand-in symbol, and a surface fluorescent blithe has substitute symbol. Each type of switch has a alternative symbol and for that reason get the various outlets. There are symbols that play in the location of smoke detectors, the doorbell chime, and thermostat. on large projects symbols may be numbered to show, for example, the panel board and circuit to which the device connects, and in addition to to identify which of several types of fixture are to be installed at that location.

1997 honda accord engine diagram to download 1997 honda accord
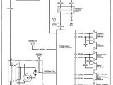
1994 honda accord headlights relay wiring wiring diagram files
A set of wiring diagrams may be required by the electrical inspection authority to embrace link of the quarters to the public electrical supply system.
Wiring diagrams will as a consequence swell panel schedules for circuit breaker panelboards, and riser diagrams for special facilities such as flame alarm or closed circuit television or additional special services.
You Might Also Like :
[gembloong_related_posts count=3]
97 honda accord radio wiring diagram another graphic:

honda accord cooling system diagram moreover 97 honda accord wiring
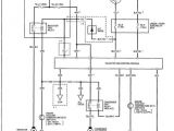
honda accord wiring diagram data schematic diagram
94 honda accord wiring electrical schematic wiring diagram

















