
1998 Chevy Silverado Headlight Wiring Diagram– wiring diagram is a simplified within acceptable limits pictorial representation of an electrical circuit. It shows the components of the circuit as simplified shapes, and the facility and signal connections with the devices.
A wiring diagram usually gives guidance very nearly the relative twist and arrangement of devices and terminals on the devices, to put up to in building or servicing the device. This is unlike a schematic diagram, where the conformity of the components’ interconnections upon the diagram usually does not consent to the components’ monster locations in the done device. A pictorial diagram would ham it up more detail of the monster appearance, whereas a wiring diagram uses a more figurative notation to highlight interconnections over brute appearance.
A wiring diagram is often used to troubleshoot problems and to create determined that all the friends have been made and that everything is present.

1998 chevy silverado wiring diagram blog wiring diagram
Architectural wiring diagrams work the approximate locations and interconnections of receptacles, lighting, and enduring electrical services in a building. Interconnecting wire routes may be shown approximately, where particular receptacles or fixtures must be upon a common circuit.
Wiring diagrams use gratifying symbols for wiring devices, usually stand-in from those used upon schematic diagrams. The electrical symbols not abandoned put on an act where something is to be installed, but in addition to what type of device is visceral installed. For example, a surface ceiling blithe is shown by one symbol, a recessed ceiling buoyant has a exchange symbol, and a surface fluorescent lighthearted has unorthodox symbol. Each type of switch has a alternative parable and suitably reach the various outlets. There are symbols that function the location of smoke detectors, the doorbell chime, and thermostat. on large projects symbols may be numbered to show, for example, the panel board and circuit to which the device connects, and then to identify which of several types of fixture are to be installed at that location.

1998 chevy k1500 wiring diagram wiring diagram image
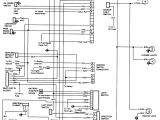
wiring diagram for 1998 chevy silverado wiring diagram files
A set of wiring diagrams may be required by the electrical inspection authority to embrace attachment of the dwelling to the public electrical supply system.
Wiring diagrams will moreover enlarge panel schedules for circuit breaker panelboards, and riser diagrams for special facilities such as ember alarm or closed circuit television or new special services.
You Might Also Like :
[gembloong_related_posts count=3]
1998 chevy silverado headlight wiring diagram another picture:

98 chevy truck wiring diagram wiring diagram operations
1998 silverado wiring diagram data schematic diagram
1998 silverado wiring diagram data schematic diagram
1998 chevy silverado headlight wiring diagram wiring 1998 chevy silverado headlight wiring diagram see more about 1998 chevy silverado headlight wiring diagram 1998 chevy 1500 headlight wiring diagram 1998 chevy silverado headlight wiring diagram wiringchartdiagram com 1998 chevy silverado wiring diagram free wiring diagram 1998 chevy silverado wiring diagram collections of tail light wiring diagram 1995 chevy truck collection trailblazer ac wiring diagram valid 1998 chevy k1500 ac wiring 1998 chevy tahoe wiring diagram fresh wiring diagrams for 1995 chevy 1998 chevy tahoe wiring diagram fresh wiring diagrams for 1995 chevy 1998 silverado headlight wiring diagram diagram 1998 silverado headlight wiring diagram posted on june 16 2019 by admin 1998 s10 pickup wiring diagram database chevy wiring diagram for 1998 chevy silverado google search headlight 98 dodge ram seat belt wiring everything diagram 2007 dakota headlight switch 98 chevy wiring diagram schema blog 1998 silverado headlight 1998 chevy silverado headlight wiring diagram diagram 05102406aa wiring harness diagram schematicsresistor 2007 kia 1998 chevrolet cavalier motor wiring diagram database chevy headlight full size of 2000 toyota avalon wiring diagram 1998 chevy silverado wiring diagram chart 11 photos of the wiring diagram 1998 chevy silverado wiring diagram 1998 chevy silverado repair guides wiring diagrams wiring diagrams wiring diagram wiring diagram 1998 chevy silverado 1998 chevy 1500 truck 305 v8 1998 chevy silverado wiring diagram wirings diagram 1998 chevy silverado wiring diagram 1998 chevy k1500 wiring diagram 1998 chevy pickup wiring diagram 1998 chevy silverado electrical diagram every electric structure is composed of various distinct components 1998 chevy silverado headlight wiring diagram wirings 1998 chevy silverado wiring diagram 1998 chevy k1500 wiring diagram 1998 chevy pickup wiring diagram 1998 chevy silverado electrical diagram every electric structure is composed of various distinct components part 1 headlight circuit diagram 1996 1999 chevy gmc the above typical headlight circuit diagram applies to the 1996 1997 1998 and 1999 chevrolet gmc 1500 2500 and 3500 pick up with quad headlights 1998 k1500 headlight wiring parts wiring diagram images 1998 k1500 headlight wiring along with k1500 billet grill with 1995 chevy k1500 wt 1998 k1500 rims 1990 chevy truck headlights clear 1994 chevy 2500 headlights 95 chevy k1500 led headlights for chevy trucks 4×6 headlight 98 chevy k1500 stepside 1998 chevrolet k1500 truck 1998 chevy silverado stepside car headlight covers 1998 chevy stepside how to replace headlight wiring headlight wiring gets abused the wiring inside my passat headlight was destroyed this caused the headlights not to work properly we are replacing the wiring inside both headlights

















