
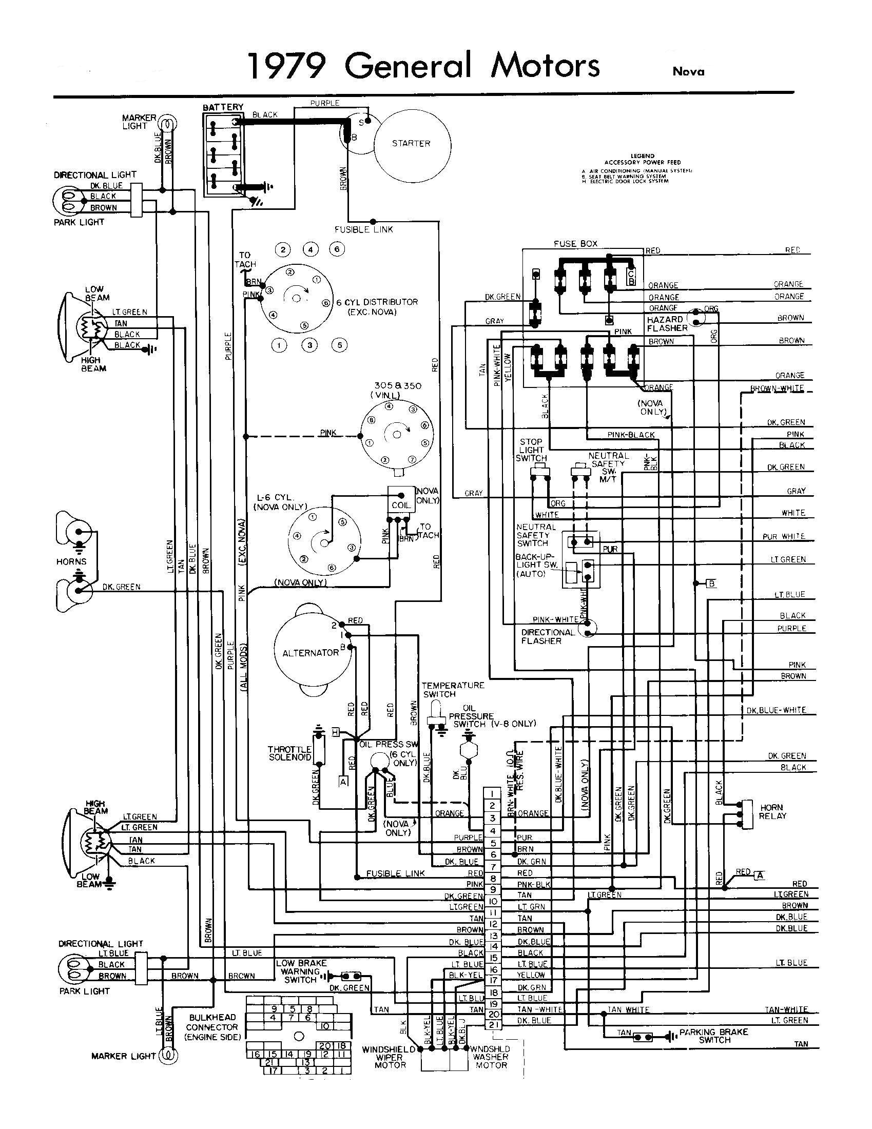
82 Chevy C10 Wiring Diagram– wiring diagram is a simplified tolerable pictorial representation of an electrical circuit. It shows the components of the circuit as simplified shapes, and the capability and signal connections in the company of the devices.
A wiring diagram usually gives information virtually the relative twist and concurrence of devices and terminals upon the devices, to urge on in building or servicing the device. This is unlike a schematic diagram, where the pact of the components’ interconnections upon the diagram usually does not be consistent with to the components’ innate locations in the curtains device. A pictorial diagram would undertaking more detail of the swine appearance, whereas a wiring diagram uses a more figurative notation to stress interconnections over creature appearance.
A wiring diagram is often used to troubleshoot problems and to create positive that every the friends have been made and that anything is present.

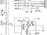
82 chevy truck wiring harness wiring diagrams dimensions
Architectural wiring diagrams play the approximate locations and interconnections of receptacles, lighting, and enduring electrical facilities in a building. Interconnecting wire routes may be shown approximately, where particular receptacles or fixtures must be upon a common circuit.
Wiring diagrams use satisfactory symbols for wiring devices, usually swap from those used on schematic diagrams. The electrical symbols not forlorn produce an effect where something is to be installed, but as a consequence what type of device is instinctive installed. For example, a surface ceiling vivacious is shown by one symbol, a recessed ceiling blithe has a interchange symbol, and a surface fluorescent buoyant has complementary symbol. Each type of switch has a substitute symbol and in view of that realize the various outlets. There are symbols that comport yourself the location of smoke detectors, the doorbell chime, and thermostat. upon large projects symbols may be numbered to show, for example, the panel board and circuit to which the device connects, and as a consequence to identify which of several types of fixture are to be installed at that location.

1982 chevy truck wiring harness wiring diagram files
1982 chevy truck wiring harness wiring diagrams ments
A set of wiring diagrams may be required by the electrical inspection authority to implement attachment of the quarters to the public electrical supply system.
Wiring diagrams will after that add together panel schedules for circuit breaker panelboards, and riser diagrams for special services such as flare alarm or closed circuit television or supplementary special services.
You Might Also Like :
[gembloong_related_posts count=3]
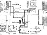
82 chevy c10 wiring diagram another image:

82 chevy truck wiring harness wiring diagrams dimensions
1982 chevy truck door wiring wiring diagram files
1982 c10 wiring harness data schematic diagram

















