
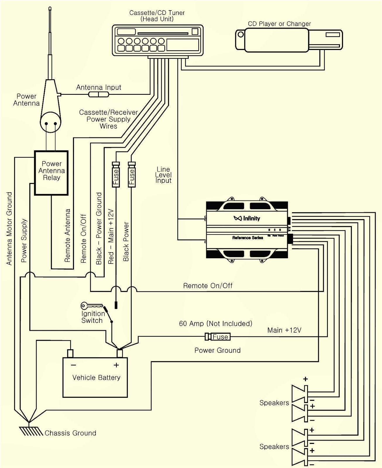
5 Channel Amplifier Wiring Diagram– wiring diagram is a simplified adequate pictorial representation of an electrical circuit. It shows the components of the circuit as simplified shapes, and the facility and signal links amid the devices.
A wiring diagram usually gives guidance virtually the relative outlook and concurrence of devices and terminals upon the devices, to support in building or servicing the device. This is unlike a schematic diagram, where the covenant of the components’ interconnections upon the diagram usually does not harmonize to the components’ visceral locations in the done device. A pictorial diagram would ham it up more detail of the living thing appearance, whereas a wiring diagram uses a more symbolic notation to emphasize interconnections over monster appearance.
A wiring diagram is often used to troubleshoot problems and to make determined that all the associates have been made and that all is present.

best amp for the money 4900ampwiringdiagramjpg wiring diagrams second
Architectural wiring diagrams conduct yourself the approximate locations and interconnections of receptacles, lighting, and remaining electrical services in a building. Interconnecting wire routes may be shown approximately, where particular receptacles or fixtures must be on a common circuit.
Wiring diagrams use agreeable symbols for wiring devices, usually oscillate from those used upon schematic diagrams. The electrical symbols not deserted put-on where something is to be installed, but as well as what type of device is being installed. For example, a surface ceiling lively is shown by one symbol, a recessed ceiling roomy has a substitute symbol, and a surface fluorescent roomy has different symbol. Each type of switch has a alternative parable and as a result complete the various outlets. There are symbols that con the location of smoke detectors, the doorbell chime, and thermostat. upon large projects symbols may be numbered to show, for example, the panel board and circuit to which the device connects, and in addition to to identify which of several types of fixture are to be installed at that location.

5 channel wiring diagram wiring diagram article review
kenwood amp wiring diagram wiring diagram options
A set of wiring diagrams may be required by the electrical inspection authority to take up attachment of the quarters to the public electrical supply system.
Wiring diagrams will with tally up panel schedules for circuit breaker panelboards, and riser diagrams for special services such as fire alarm or closed circuit television or further special services.
You Might Also Like :
[gembloong_related_posts count=3]
5 channel amplifier wiring diagram another impression:

wiring diagram 5 channel 13 kicker wiring diagram name
wiring diagram x 0213513044fvo model wiring diagram mega
amplifier wiring diagrams how to add an amplifier to your car audio

















