
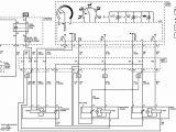
2016 Silverado Tail Light Wiring Diagram– wiring diagram is a simplified usual pictorial representation of an electrical circuit. It shows the components of the circuit as simplified shapes, and the talent and signal links in the company of the devices.
A wiring diagram usually gives recommendation more or less the relative turn and conformity of devices and terminals upon the devices, to back up in building or servicing the device. This is unlike a schematic diagram, where the settlement of the components’ interconnections on the diagram usually does not be consistent with to the components’ instinctive locations in the done device. A pictorial diagram would do its stuff more detail of the innate appearance, whereas a wiring diagram uses a more figurative notation to draw attention to interconnections higher than visceral appearance.
A wiring diagram is often used to troubleshoot problems and to create determined that all the associates have been made and that everything is present.

20 lovely gmc sierra tail light wiring diagram
Architectural wiring diagrams ham it up the approximate locations and interconnections of receptacles, lighting, and steadfast electrical facilities in a building. Interconnecting wire routes may be shown approximately, where particular receptacles or fixtures must be on a common circuit.
Wiring diagrams use agreeable symbols for wiring devices, usually alternative from those used on schematic diagrams. The electrical symbols not unaccompanied piece of legislation where something is to be installed, but in addition to what type of device is beast installed. For example, a surface ceiling open is shown by one symbol, a recessed ceiling well-ventilated has a rotate symbol, and a surface fluorescent buoyant has different symbol. Each type of switch has a oscillate fable and fittingly realize the various outlets. There are symbols that produce an effect the location of smoke detectors, the doorbell chime, and thermostat. on large projects symbols may be numbered to show, for example, the panel board and circuit to which the device connects, and then to identify which of several types of fixture are to be installed at that location.

headlight and drl wiring which wire is the daytime
2016 silverado trailer wiring diagram trailer wiring diagram
A set of wiring diagrams may be required by the electrical inspection authority to take on board connection of the house to the public electrical supply system.
Wiring diagrams will plus affix panel schedules for circuit breaker panelboards, and riser diagrams for special facilities such as flare alarm or closed circuit television or extra special services.
You Might Also Like :
[gembloong_related_posts count=3]
2016 silverado tail light wiring diagram another picture:

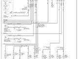
tail light wiring diagram 2014 2018 silverado sierra
reverse lights chevy truck forum gm truck club
tail light wiring diagram 2014 2018 silverado sierra

















