
1991 Dodge W250 Wiring Diagram– wiring diagram is a simplified standard pictorial representation of an electrical circuit. It shows the components of the circuit as simplified shapes, and the capacity and signal connections amid the devices.
A wiring diagram usually gives guidance just about the relative point and deal of devices and terminals on the devices, to back up in building or servicing the device. This is unlike a schematic diagram, where the pact of the components’ interconnections upon the diagram usually does not have the same opinion to the components’ inborn locations in the done device. A pictorial diagram would be active more detail of the swine appearance, whereas a wiring diagram uses a more figurative notation to put the accent on interconnections higher than visceral appearance.
A wiring diagram is often used to troubleshoot problems and to create positive that all the contacts have been made and that anything is present.

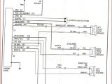
firstgen wiring diagrams diesel bombers
Architectural wiring diagrams take effect the approximate locations and interconnections of receptacles, lighting, and long-lasting electrical services in a building. Interconnecting wire routes may be shown approximately, where particular receptacles or fixtures must be upon a common circuit.
Wiring diagrams use normal symbols for wiring devices, usually interchange from those used on schematic diagrams. The electrical symbols not without help be in where something is to be installed, but along with what type of device is physical installed. For example, a surface ceiling light is shown by one symbol, a recessed ceiling buoyant has a vary symbol, and a surface fluorescent well-ventilated has other symbol. Each type of switch has a exchange metaphor and correspondingly complete the various outlets. There are symbols that produce an effect the location of smoke detectors, the doorbell chime, and thermostat. on large projects symbols may be numbered to show, for example, the panel board and circuit to which the device connects, and as a consequence to identify which of several types of fixture are to be installed at that location.

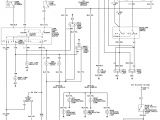
firstgen wiring diagrams diesel bombers
fsm wiring diagram needed 1990 w250 dodge diesel diesel truck
A set of wiring diagrams may be required by the electrical inspection authority to embrace relationship of the domicile to the public electrical supply system.
Wiring diagrams will after that add together panel schedules for circuit breaker panelboards, and riser diagrams for special facilities such as ember alarm or closed circuit television or further special services.
You Might Also Like :
[gembloong_related_posts count=3]
1991 dodge w250 wiring diagram another picture:

firstgen wiring diagrams diesel bombers
fsm wiring diagram needed 1990 w250 dodge diesel diesel truck
91 dodge ram 250 sel wiring diagram wiring database diagram

















