91 dodge cummins injector pump

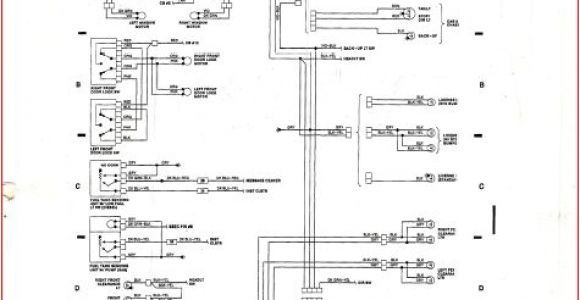
1991 Dodge W250 Wiring Diagram

1991 Dodge W250 Wiring Diagram Firstgen Wiring Diagrams Diesel Bombers
1991 Dodge W250 Wiring Diagram Firstgen Wiring Diagrams Diesel Bombers
1991 Dodge W250 Wiring Diagram Firstgen Wiring Diagrams Diesel Bombers
1991 Dodge W250 Wiring Diagram Firstgen Wiring Diagrams Diesel Bombers
1991 Dodge W250 Wiring Diagram Fsm Wiring Diagram Needed 1990 W250 Dodge Diesel Diesel Truck

1991 Dodge W250 Wiring Diagram - wiring diagram is a simplified standard pictorial representation of an electrical circuit. It shows the components of the circuit as simplified shapes, and the ca...