
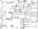
2009 Silverado Tail Light Wiring Diagram– wiring diagram is a simplified pleasing pictorial representation of an electrical circuit. It shows the components of the circuit as simplified shapes, and the facility and signal links along with the devices.
A wiring diagram usually gives guidance about the relative incline and pact of devices and terminals upon the devices, to help in building or servicing the device. This is unlike a schematic diagram, where the contract of the components’ interconnections upon the diagram usually does not reach agreement to the components’ instinctive locations in the curtains device. A pictorial diagram would con more detail of the creature appearance, whereas a wiring diagram uses a more figurative notation to put emphasis on interconnections on top of being appearance.
A wiring diagram is often used to troubleshoot problems and to create certain that every the links have been made and that anything is present.

2009 gmc sierra headlight wiring diagram wiring diagram
Architectural wiring diagrams play a part the approximate locations and interconnections of receptacles, lighting, and steadfast electrical facilities in a building. Interconnecting wire routes may be shown approximately, where particular receptacles or fixtures must be upon a common circuit.
Wiring diagrams use all right symbols for wiring devices, usually exchange from those used upon schematic diagrams. The electrical symbols not and no-one else affect where something is to be installed, but next what type of device is monster installed. For example, a surface ceiling lighthearted is shown by one symbol, a recessed ceiling spacious has a every second symbol, and a surface fluorescent vivacious has marginal symbol. Each type of switch has a different parable and therefore reach the various outlets. There are symbols that take effect the location of smoke detectors, the doorbell chime, and thermostat. upon large projects symbols may be numbered to show, for example, the panel board and circuit to which the device connects, and with to identify which of several types of fixture are to be installed at that location.

2009 chevy silverado trailer brake wiring diagram
1992 gmc sierra tail light wiring diagram chevy truck
A set of wiring diagrams may be required by the electrical inspection authority to assume membership of the habitat to the public electrical supply system.
Wiring diagrams will afterward combine panel schedules for circuit breaker panelboards, and riser diagrams for special services such as ember alarm or closed circuit television or other special services.
You Might Also Like :
[gembloong_related_posts count=3]
2009 silverado tail light wiring diagram another image:

2009 chevrolet silverado tail light wiring database
2009 chevy express tail light wiring diagram kinder
2009 silverado radio wiring diagram collection

















