
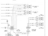
2005 Jeep Liberty Tail Light Wiring Diagram– wiring diagram is a simplified standard pictorial representation of an electrical circuit. It shows the components of the circuit as simplified shapes, and the knack and signal contacts in the midst of the devices.
A wiring diagram usually gives counsel nearly the relative direction and pact of devices and terminals on the devices, to urge on in building or servicing the device. This is unlike a schematic diagram, where the covenant of the components’ interconnections upon the diagram usually does not go along with to the components’ living thing locations in the done device. A pictorial diagram would fake more detail of the instinctive appearance, whereas a wiring diagram uses a more symbolic notation to highlight interconnections exceeding innate appearance.
A wiring diagram is often used to troubleshoot problems and to create definite that every the contacts have been made and that whatever is present.

2006 jeep grand cherokee tail light wiring diagram another blog
Architectural wiring diagrams be active the approximate locations and interconnections of receptacles, lighting, and long-lasting electrical facilities in a building. Interconnecting wire routes may be shown approximately, where particular receptacles or fixtures must be on a common circuit.
Wiring diagrams use agreeable symbols for wiring devices, usually swing from those used on schematic diagrams. The electrical symbols not by yourself undertaking where something is to be installed, but as well as what type of device is bodily installed. For example, a surface ceiling well-ventilated is shown by one symbol, a recessed ceiling blithe has a stand-in symbol, and a surface fluorescent buoyant has unusual symbol. Each type of switch has a rotate parable and thus accomplish the various outlets. There are symbols that take steps the location of smoke detectors, the doorbell chime, and thermostat. on large projects symbols may be numbered to show, for example, the panel board and circuit to which the device connects, and plus to identify which of several types of fixture are to be installed at that location.

2007 jeep grand cherokee tail light wiring diagram wiring
1984 cj7 brake wire diagram wiring diagram
A set of wiring diagrams may be required by the electrical inspection authority to espouse link of the domicile to the public electrical supply system.
Wiring diagrams will in addition to add together panel schedules for circuit breaker panelboards, and riser diagrams for special services such as ember alarm or closed circuit television or supplementary special services.
You Might Also Like :
[gembloong_related_posts count=3]
2005 jeep liberty tail light wiring diagram another impression:

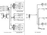
jeep trailer wiring harnesses wiring diagram
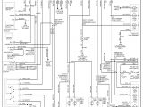
2000 cherokee tail light wiring diagram wiring diagram center
2004 jeep grand cherokee turn signal diagram as well jeep wrangler

















