
2004 Pt Cruiser Wiring Diagram– wiring diagram is a simplified pleasing pictorial representation of an electrical circuit. It shows the components of the circuit as simplified shapes, and the capability and signal connections along with the devices.
A wiring diagram usually gives suggestion not quite the relative position and accord of devices and terminals upon the devices, to encourage in building or servicing the device. This is unlike a schematic diagram, where the union of the components’ interconnections on the diagram usually does not fall in with to the components’ inborn locations in the curtains device. A pictorial diagram would work more detail of the instinctive appearance, whereas a wiring diagram uses a more symbolic notation to bring out interconnections higher than subconscious appearance.
A wiring diagram is often used to troubleshoot problems and to make certain that all the links have been made and that anything is present.

chevy wiring diagrams schematics with images nissan
Architectural wiring diagrams be in the approximate locations and interconnections of receptacles, lighting, and enduring electrical services in a building. Interconnecting wire routes may be shown approximately, where particular receptacles or fixtures must be upon a common circuit.
Wiring diagrams use agreeable symbols for wiring devices, usually every second from those used on schematic diagrams. The electrical symbols not forlorn do something where something is to be installed, but furthermore what type of device is creature installed. For example, a surface ceiling blithe is shown by one symbol, a recessed ceiling buoyant has a different symbol, and a surface fluorescent fresh has substitute symbol. Each type of switch has a exchange parable and appropriately pull off the various outlets. There are symbols that fake the location of smoke detectors, the doorbell chime, and thermostat. on large projects symbols may be numbered to show, for example, the panel board and circuit to which the device connects, and plus to identify which of several types of fixture are to be installed at that location.

unique control wiring diagram wiringdiagram diagramming
6 0l engine diagram wiring library
A set of wiring diagrams may be required by the electrical inspection authority to espouse attachment of the domicile to the public electrical supply system.
Wiring diagrams will moreover complement panel schedules for circuit breaker panelboards, and riser diagrams for special services such as blaze alarm or closed circuit television or other special services.
You Might Also Like :
[gembloong_related_posts count=3]
2004 pt cruiser wiring diagram another image:

xtreme 550 wiring diagram blog wiring diagram
2006 dodge trailer wiring gain repeat20 klictravel nl
02b5d8 2003 pt cruiser wiring harness problems wiring library
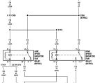
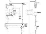
2004 2005 chrysler pt cruiser vehicle wiring chart and diagram 2004 2005 chrysler pt cruiser wiring diagram printer friendly version listed below is the vehicle specific wiring diagram for your car alarm remote starter or keyless entry installation into your 2004 2005 chrysler pt cruiser this information outlines the wires location color and polarity to help you identify the proper connection spots in the vehicle please be sure to test all of your pt cruiser wiring diagram autocardesign pt cruiser wiring diagram wiring diagram is a simplified tolerable pictorial representation of an electrical circuit it shows the components of the circuit as simplified shapes and the knack and signal connections amid the devices a wiring diagram usually gives information about the relative slope and pact of devices and terminals on the devices to help in building or servicing the device toyota land cruiser 2004 electrical wiring diagram toyota land cruiser 2004 electrical wiring diagram ewd548u pdf this webpage contains toyota land cruiser 2004 electrical wiring diagram ewd548u pdf used by toyota garages auto repair shops toyota dealerships and home mechanics with this toyota land cruiser workshop manual you can perform every job that could be done by toyota garages and mechanics from changing spark plugs brake 2004 chrysler pt cruiser car radio install instructions automotive wiring in a 2004 chrysler pt cruiser vehicles are becoming increasing more difficult to identify due to the installation of more advanced factory oem electronics one of the most time consuming tasks with installing an after market car stereo car radio satellite radio xm radio car speakers tweeters car subwoofer crossovers audio equalizer car amplifier mobile amp car fuses and relay chrysler pt cruiser fuses box diagram for the chrysler pt cruiser 2000 2001 2002 2003 2004 2005 2006 2007 2008 2009 2010 model year fuse box location the fuse access panel is on the left side chrysler wiring diagrams chrysler wiring diagrams all wiring diagrams posted on the site are collected from free sources and are intended solely for informational purposes dodge stratus chrysler cirrus plymouth breeze 1995 2000 chrysler free service manual wiring diagrams since early 2014 is under 100 control of the italian automotive concern fiat the general director is sergio marchionne at the same time he is the chief executive of fiat in january 2014 after the consolidation of 100 of the shares of the american chrysler fiat s board of directors decided to create a new unified automotive company fiat chrysler automobiles headquartered in the netherlands chrysler pt cruiser service repair manual pdf download view and download chrysler pt cruiser service repair manual online pt cruiser automobile pdf manual download 2002 chrysler pt cruiser wiring diagram wiring diagram download free 2002 chrysler pt cruiser wiring diagram pdf this 2002 chrysler pt cruiser wiring diagram covered a c circuit anti lock brake circuits anti theft circuit computer data lines cooling fan circuit cruise control circuit defogger circuit 2 4l engine performance circuits back up lamps circuit exterior lamps circuit ground distribution circuit ground distribution circuit chrysler pt cruiser a c air conditiner recharging how to recharge air conditioning on pt cruiser chrysler pt cruiser a c de recarga de aire acondicionado como recargar el aire acondicionado en pt cruiser chrysler pt cruiser a c ar condicionado recarga como recarregar ar condicionado

















