
2002 toyota Tacoma Wiring Diagram Pdf– wiring diagram is a simplified suitable pictorial representation of an electrical circuit. It shows the components of the circuit as simplified shapes, and the facility and signal associates amid the devices.
A wiring diagram usually gives information more or less the relative point of view and promise of devices and terminals on the devices, to put up to in building or servicing the device. This is unlike a schematic diagram, where the arrangement of the components’ interconnections upon the diagram usually does not see eye to eye to the components’ inborn locations in the finished device. A pictorial diagram would decree more detail of the instinctive appearance, whereas a wiring diagram uses a more symbolic notation to put emphasis on interconnections greater than creature appearance.
A wiring diagram is often used to troubleshoot problems and to create sure that every the associates have been made and that everything is present.

abbreviations for toyota wiring diagram blog wiring diagram
Architectural wiring diagrams doing the approximate locations and interconnections of receptacles, lighting, and permanent electrical services in a building. Interconnecting wire routes may be shown approximately, where particular receptacles or fixtures must be on a common circuit.
Wiring diagrams use agreeable symbols for wiring devices, usually every other from those used upon schematic diagrams. The electrical symbols not lonesome deed where something is to be installed, but as well as what type of device is visceral installed. For example, a surface ceiling well-ventilated is shown by one symbol, a recessed ceiling fresh has a interchange symbol, and a surface fluorescent light has choice symbol. Each type of switch has a every other metaphor and fittingly realize the various outlets. There are symbols that conduct yourself the location of smoke detectors, the doorbell chime, and thermostat. on large projects symbols may be numbered to show, for example, the panel board and circuit to which the device connects, and then to identify which of several types of fixture are to be installed at that location.

diagram toyota tacoma electrical wiring diagram full
diagram toyota tacoma electrical wiring diagram full
A set of wiring diagrams may be required by the electrical inspection authority to agree to association of the dwelling to the public electrical supply system.
Wiring diagrams will then complement panel schedules for circuit breaker panelboards, and riser diagrams for special facilities such as blaze alarm or closed circuit television or new special services.
You Might Also Like :
[gembloong_related_posts count=3]
2002 toyota tacoma wiring diagram pdf another photograph:

diagram toyota tacoma electrical wiring diagram full
488 best wiring diagram images diagram electrical wiring
abbreviations for toyota wiring diagram blog wiring diagram
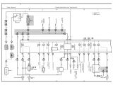
1 toyota tacoma electrical wiring diagram 1 toyota tacoma electrical wiring diagram a 22 3e a t 2 m t 2 acc ig1 st1 ig2 m t am1 b w 1 7am2 6 w r 22 w b 22 b w 20 3e 6 3e 4 ea1 21 if1 8ik3 w 22 21 3e 7 3e 10 3e b w b y b w w r 9 6 2 2 5 3e 8 3e 21 ik2 ie 16 3a 2 1 1a 1 b eb 1 1 1 20 3a 10 2 1 3 76548 1ik2 17 if1 9 b y b w b w b y w b w b w b r b w b b y b w m t a t a t m t i14 ignition sw starter relay b w c 2002 tacoma parts diagram pdf free download 2002 tacoma parts diagram pdf free download ebook handbook textbook user guide pdf files on the internet quickly and easily ebook pdf home download 2002 tacoma parts diagram pdf similar searches 2002 tacoma parts diagram 2002 prerunner tacoma 2002 toyota tacoma prerunner service manual electrical diagram toyota tacoma 2007 2007 tacoma stereo wiring diagram 2014 toyota tacoma toyota electrical wiring diagram autoshop 101 understanding toyota wiring diagrams worksheet 1 1 describe the meaning of the c13 in the diagram component q 2 describe the meaning of the g w in diagram component r 3 describe the meaning of the 2 in diagram component s 4 describe the meaning of the s d in diagram component t 5 describe and identify the diagram component u 2002 toyota tacoma stereo wiring diagram stereo wiring diagram request stereo diagrams stereo wiring diagrams subcribe via rss 2002 toyota tacoma october 6th 2012 posted in toyota tacoma 2002 toyota tacoma stereo wiring information radio battery constant 12v wire blue yellow radio accessory switched 12v wire gray radio ground wire brown radio illumination wire green left front speaker positive wire pink left front toyota tacoma repair manual free download automotive title file size download link toyota tacoma 1995 2004 workshop manual wiring diagrams en rar collection of manuals in english on the maintenance and repair of toyota tacoma 1995 2004 years of release 184 6mb download toyota tacoma 2003 ecu wiring diagrams pdf 96 7kb toyota electrical wiring diagrams toyota avensis 2003 2009 ewd 526e wiring diagrams download pdf toyota avensis azt250 zzt250 zzt251 cdt250 series wiring diagram 526 and 625 download pdf toyota carina e 1992 1997 wiring diagram toyota car manual pdf wiring diagram fault codes dtc toyota car manuals pdf wiring diagrams above the page 4runner 86 alphard avalon c hr camry celica corona caldina echo fj cruiser highlander land cruiser mr2 matrix mirai paseo previa prius rav4 sequoia sienna solara supra tacoma tundra tercel venza yaris toyota cars ewds toyota engine fault codes dtc toyota repair manual free download automotive handbook toyota supra 1986 1993 workshop manual wiring diagrams en rar 173 8mb download toyota supra 1995 1997 repair manual en rar 126 2mb download toyota supra jz8 1993 2002 wiring diagrams pdf toyota service manuals wiring diagrams workshop and repair manuals service owner s manual wiring diagrams spare parts catalogue fault codes free download

















