E Stopp Emergency Brake Wiring Diagram


Warning: count(): Parameter must be an array or an object that implements Countable in /var/www/html/autocardesign.org/wp-content/themes/silegan-wordpress-theme/inc/themeson.class.php on line 625
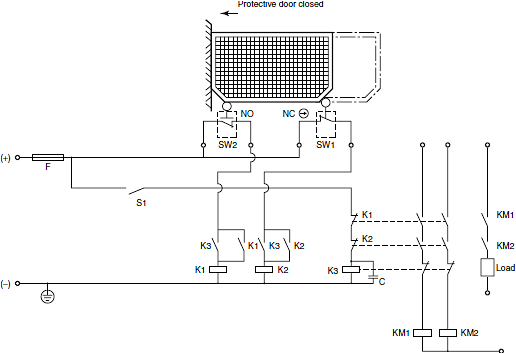
E Stopp Emergency Brake Wiring Diagram Safety Circuit Examples Of Safety Components Technical
E Stopp Emergency Brake Wiring Diagram Safety Circuit Examples Of Safety Components Technical
See also  Racepak Wiring Diagram
Tags: