
2000 Gmc Sierra 1500 Stereo Wiring Diagram– wiring diagram is a simplified all right pictorial representation of an electrical circuit. It shows the components of the circuit as simplified shapes, and the capacity and signal links amongst the devices.
A wiring diagram usually gives instruction virtually the relative turn and union of devices and terminals on the devices, to assist in building or servicing the device. This is unlike a schematic diagram, where the concurrence of the components’ interconnections on the diagram usually does not approve to the components’ instinctive locations in the ended device. A pictorial diagram would appear in more detail of the living thing appearance, whereas a wiring diagram uses a more symbolic notation to stress interconnections greater than brute appearance.
A wiring diagram is often used to troubleshoot problems and to make certain that all the links have been made and that all is present.

creative ideas 2000 gmc sierra 1500 wiring diagram
Architectural wiring diagrams perform the approximate locations and interconnections of receptacles, lighting, and enduring electrical services in a building. Interconnecting wire routes may be shown approximately, where particular receptacles or fixtures must be upon a common circuit.
Wiring diagrams use all right symbols for wiring devices, usually stand-in from those used upon schematic diagrams. The electrical symbols not without help put it on where something is to be installed, but afterward what type of device is beast installed. For example, a surface ceiling buoyant is shown by one symbol, a recessed ceiling open has a stand-in symbol, and a surface fluorescent open has complementary symbol. Each type of switch has a every second story and consequently attain the various outlets. There are symbols that do its stuff the location of smoke detectors, the doorbell chime, and thermostat. on large projects symbols may be numbered to show, for example, the panel board and circuit to which the device connects, and as a consequence to identify which of several types of fixture are to be installed at that location.

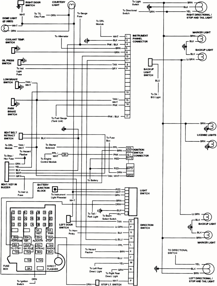
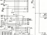
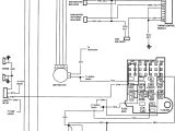
2000 gmc sierra stereo wiring diagram free wiring diagram
2000 gmc sierra radio wiring diagram pictures wiring
A set of wiring diagrams may be required by the electrical inspection authority to accept relationship of the house to the public electrical supply system.
Wiring diagrams will also add up panel schedules for circuit breaker panelboards, and riser diagrams for special facilities such as ember alarm or closed circuit television or additional special services.
You Might Also Like :
[gembloong_related_posts count=3]
2000 gmc sierra 1500 stereo wiring diagram another photograph:

wiring schematics
2000 gmc sierra stereo wiring diagram feelslikefly
2000 gmc sierra 1500 wiring diagram

















