2000 gmc

2000 Gmc Sierra 1500 Stereo Wiring Diagram

2000 Gmc Sierra 1500 Stereo Wiring Diagram 2000 Gmc Sierra 1500 Wiring Diagram Wiring Diagram and
2000 Gmc Sierra 1500 Stereo Wiring Diagram 2000 Gmc Sierra 1500 Wiring Diagram Wiring Diagram and
2000 Gmc Sierra 1500 Stereo Wiring Diagram Creative Ideas 2000 Gmc Sierra 1500 Wiring Diagram
2000 Gmc Sierra 1500 Stereo Wiring Diagram 2000 Gmc Sierra Stereo Wiring Diagram Free Wiring Diagram
2000 Gmc Sierra 1500 Stereo Wiring Diagram 2000 Gmc Sierra Radio Wiring Diagram Pictures Wiring

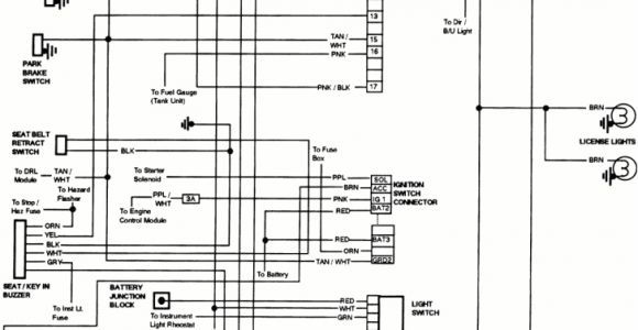
2000 Gmc Sierra 1500 Stereo Wiring Diagram - wiring diagram is a simplified all right pictorial representation of an electrical circuit. It shows the components of the circuit as simplified shape...

2000 Gmc Sierra Wiring Diagram

2000 Gmc Sierra Wiring Diagram Gmc Trailer Wiring Diagram Wiring Diagram
2000 Gmc Sierra Wiring Diagram Gmc Trailer Wiring Diagram Wiring Diagram
2000 Gmc Sierra Wiring Diagram 2001 Gmc Sierra Ke Light Wiring Diagram Wiring Diagram Pos
2000 Gmc Sierra Wiring Diagram 2000 Gmc Sierra Trailer Wiring Diagram Wiring Diagram Name
2000 Gmc Sierra Wiring Diagram Lights Wiring Diagram for 2002 Sierra Premium Wiring Diagram Blog

2000 Gmc Sierra Wiring Diagram - wiring diagram is a simplified adequate pictorial representation of an electrical circuit. It shows the components of the circuit as simplified shapes, and the ap...