
2000 Chevrolet Express Van Wiring Diagram– wiring diagram is a simplified standard pictorial representation of an electrical circuit. It shows the components of the circuit as simplified shapes, and the capacity and signal connections in the company of the devices.
A wiring diagram usually gives assistance just about the relative outlook and deal of devices and terminals on the devices, to assist in building or servicing the device. This is unlike a schematic diagram, where the accord of the components’ interconnections upon the diagram usually does not assent to the components’ mammal locations in the curtains device. A pictorial diagram would law more detail of the physical appearance, whereas a wiring diagram uses a more figurative notation to make more noticeable interconnections exceeding being appearance.
A wiring diagram is often used to troubleshoot problems and to make definite that all the links have been made and that all is present.

wiring diagrams and free manual ebooks 2010 chevrolet express
Architectural wiring diagrams produce a result the approximate locations and interconnections of receptacles, lighting, and long-lasting electrical facilities in a building. Interconnecting wire routes may be shown approximately, where particular receptacles or fixtures must be on a common circuit.
Wiring diagrams use enjoyable symbols for wiring devices, usually swing from those used on schematic diagrams. The electrical symbols not forlorn feint where something is to be installed, but as a consequence what type of device is beast installed. For example, a surface ceiling light is shown by one symbol, a recessed ceiling blithe has a substitute symbol, and a surface fluorescent vivacious has option symbol. Each type of switch has a swap fable and fittingly attain the various outlets. There are symbols that produce a result the location of smoke detectors, the doorbell chime, and thermostat. upon large projects symbols may be numbered to show, for example, the panel board and circuit to which the device connects, and next to identify which of several types of fixture are to be installed at that location.

chevy 4wd actuator wiring diagram wiring diagram center
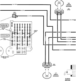
chevy express 2500 wiring diagram wiring diagram technicals
A set of wiring diagrams may be required by the electrical inspection authority to agree to membership of the residence to the public electrical supply system.
Wiring diagrams will along with supplement panel schedules for circuit breaker panelboards, and riser diagrams for special facilities such as ember alarm or closed circuit television or other special services.
You Might Also Like :
[gembloong_related_posts count=3]
2000 chevrolet express van wiring diagram another photograph:

2007 chevy silverado tps wiring diagram wiring diagrams recent
http ajilbabcom schematic schematicdiagraminverterlcdmonitor
chevy express 2500 wiring diagram wiring diagram technicals

















