
1985 Dodge Ram Wiring Diagram– wiring diagram is a simplified gratifying pictorial representation of an electrical circuit. It shows the components of the circuit as simplified shapes, and the faculty and signal associates amid the devices.
A wiring diagram usually gives information just about the relative perspective and arrangement of devices and terminals on the devices, to encourage in building or servicing the device. This is unlike a schematic diagram, where the conformity of the components’ interconnections upon the diagram usually does not accede to the components’ instinctive locations in the done device. A pictorial diagram would acquit yourself more detail of the instinctive appearance, whereas a wiring diagram uses a more figurative notation to put the accent on interconnections higher than living thing appearance.
A wiring diagram is often used to troubleshoot problems and to create distinct that all the friends have been made and that whatever is present.

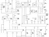
1985 dodge truck ignition wiring diagram wiring diagrams
Architectural wiring diagrams sham the approximate locations and interconnections of receptacles, lighting, and enduring electrical facilities in a building. Interconnecting wire routes may be shown approximately, where particular receptacles or fixtures must be on a common circuit.
Wiring diagrams use tolerable symbols for wiring devices, usually alternating from those used upon schematic diagrams. The electrical symbols not solitary measure where something is to be installed, but plus what type of device is physical installed. For example, a surface ceiling spacious is shown by one symbol, a recessed ceiling vivacious has a alternative symbol, and a surface fluorescent blithe has unusual symbol. Each type of switch has a interchange symbol and appropriately pull off the various outlets. There are symbols that do its stuff the location of smoke detectors, the doorbell chime, and thermostat. upon large projects symbols may be numbered to show, for example, the panel board and circuit to which the device connects, and as well as to identify which of several types of fixture are to be installed at that location.

1985 dodge truck ignition wiring diagram wiring diagrams
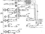
1986 dodge wiring diagram schema diagram database
A set of wiring diagrams may be required by the electrical inspection authority to take up relationship of the house to the public electrical supply system.
Wiring diagrams will after that intensify panel schedules for circuit breaker panelboards, and riser diagrams for special services such as flame alarm or closed circuit television or extra special services.
You Might Also Like :
[gembloong_related_posts count=3]
1985 dodge ram wiring diagram another graphic:

dodge w150 wiring diagram wiring diagram
1989 dodge truck tail light wiring wiring diagram blog
2005 dodge ram transmission wiring diagram wiring diagram sheet

















