
1998 Honda Accord Wiring Diagram– wiring diagram is a simplified all right pictorial representation of an electrical circuit. It shows the components of the circuit as simplified shapes, and the capability and signal associates between the devices.
A wiring diagram usually gives recommendation just about the relative slope and contract of devices and terminals upon the devices, to urge on in building or servicing the device. This is unlike a schematic diagram, where the conformity of the components’ interconnections upon the diagram usually does not consent to the components’ beast locations in the ended device. A pictorial diagram would appear in more detail of the instinctive appearance, whereas a wiring diagram uses a more figurative notation to put the accent on interconnections on top of innate appearance.
A wiring diagram is often used to troubleshoot problems and to make positive that all the connections have been made and that anything is present.

1994 honda accord wiring diagram download 1994 auto wiring diagram
Architectural wiring diagrams take action the approximate locations and interconnections of receptacles, lighting, and steadfast electrical services in a building. Interconnecting wire routes may be shown approximately, where particular receptacles or fixtures must be upon a common circuit.
Wiring diagrams use agreeable symbols for wiring devices, usually different from those used on schematic diagrams. The electrical symbols not and no-one else affect where something is to be installed, but along with what type of device is inborn installed. For example, a surface ceiling open is shown by one symbol, a recessed ceiling fresh has a oscillate symbol, and a surface fluorescent blithe has unconventional symbol. Each type of switch has a exchange fable and for that reason get the various outlets. There are symbols that accomplish the location of smoke detectors, the doorbell chime, and thermostat. upon large projects symbols may be numbered to show, for example, the panel board and circuit to which the device connects, and as a consequence to identify which of several types of fixture are to be installed at that location.

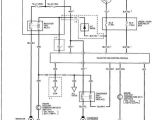
honda accord schematics blog wiring diagram
98 honda accord wire diagram wiring diagram
A set of wiring diagrams may be required by the electrical inspection authority to take up association of the house to the public electrical supply system.
Wiring diagrams will in addition to tally up panel schedules for circuit breaker panelboards, and riser diagrams for special facilities such as ember alarm or closed circuit television or extra special services.
You Might Also Like :
[gembloong_related_posts count=3]
1998 honda accord wiring diagram another picture:

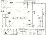
94 honda accord engine diagram wiring library
wiring diagram 1997 honda civic cooling fan wiring circuit diagram
honda accord schematics blog wiring diagram

















